Echelle de
la feuille de mise en plan |
Echelle personnalisée
pour l'impression |
Résultat
de l'impression |
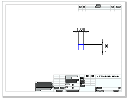
1:1

|
1:1

|

Un carré de 1 pouce X 1 pouce est imprimé
à la même échelle (1 pouce x 1 pouce). |
1:1

|
2:1

|

Un carré de 1 pouce x 1 pouce est imprimé
comme un carré de 2 pouces x 2 pouces, même si les valeurs des cotes restent
les mêmes (et inversement, si vous réglez l'échelle personnalisée sur
1:2, le carré est imprimé avec les dimensions 0.5 pouces X 0.5 pouces). |
1:2

|
1:1

|

Un carré de 1 pouce X 1 pouce est imprimé
à la même échelle (1 pouce x 1 pouce). Cependant, seulement 1/4 de la
feuille de mise en plan est imprimée parce qu'un zoom est effectué sur
la mise en plan pour obtenir un carré à l'échelle 1:1. |
D - Paysage 1:1

|
A - Paysage 1:1

|

Un carré de 1 pouce x 1 pouce est imprimé
comme un carré de 1 pouce x 1 pouce, puisque les échelles de la feuille
de mise en plan sont identiques. Cependant, seulement 1/8 de la feuille
de mise en plan est imprimée parce que la taille d'une feuille A - Paysage
équivaut à 1/8 fois la taille d'une feuille D - Paysage. |