Scala del
foglio di disegno |
Scala personalizzata
per stampa |
Output stampato |
1:1

|
1:1

|

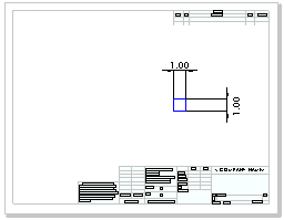
Un rettangolo di 1 pollice per 1 pollice stampa
con la stessa scala (1 pollice x 1 pollice). |
1:1

|
2:1

|

Un rettangolo di 1 pollice x 1 pollice stampa
come un rettangolo di 2 pollici x 2 pollici, anche se i valori di quotatura
rimangono uguali. (Al contrario, se viene impostata una scala pari a 1:2,
il rettangolo viene stampato con dimensioni di 0.5 pollici x 0.5 pollici). |
1:2

|
1:1

|

Un rettangolo di 1 pollice x 1 pollice viene
stampato con dimensioni di 1 pollice x 1 pollice. Tuttavia, solo un quarto
del foglio di disegno viene stampato perchè il disegno viene zumato dinamicamente
per portare il rettangolo su scala 1:1. |
D-Orizzontale 1:1

|
A-Orizzontale 1:1

|

Un rettangolo di 1 pollice x 1 pollice viene
stampato con dimensioni di 1 pollice x 1 pollice perchè le scale del foglio
di disegno sono uguali. Tuttavia, solo un ottavo del foglio di disegno
viene stampato perchè un foglio A-Orizzontale è un ottavo la dimensione
di un foglio D-Orizzontale. |