当打开工程图时,如果尺寸在自从最后一次保存工程图时已更改,则会高亮显示更改的尺寸。要查看更改的尺寸,必须首先在 SolidWorks 2012 或更高版本中保存零件或装配体和工程图。保存并关闭具有已更改尺寸的工程图之后,重置突出显示的已更改尺寸。
 |
 |
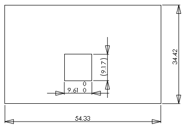
| 更改前 |
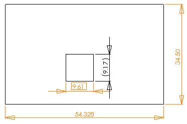
更改后 |
打开高亮显示后,这些更改将在工程图中高亮显示:
- 导致基础数值更改的模型修改
- 公差类型或值已在模型中更改的导入尺寸
- 更改了添加括号或审查尺寸的导入尺寸
- 更改了尺寸文字(默认为 <DIM> 的导入尺寸)
要使用此高亮显示功能,您必须首先保存 SolidWorks 2012 中的零件或装配体以及关联工程图。当再次打开工程图时,高亮显示的更改将会出现。如果鼠标停留在更改的尺寸上,则工具提示会显示上一个尺寸。

|
更改的尺寸
|

|
更改的公差
|