Quando si apre un disegno e le quote sono cambiate dall'ultima volta che il disegno è stato salvato, le quote modificate vengono evidenziate. Per visualizzare le quote modificate, la parte o l'assieme e il disegno devono prima essere salvati in SolidWorks 2012 o una versione successiva. Una volta salvato e chiuso il disegno con le quote modificate, queste ultime non sono più evidenziate.
 |
 |
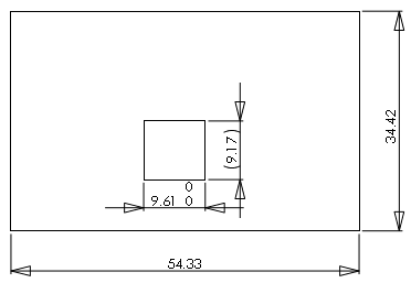
Prima delle modifiche |
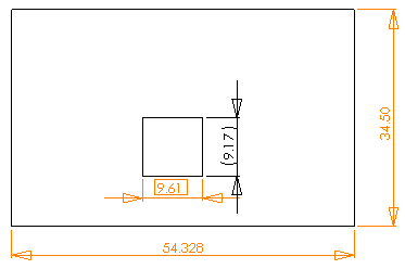
Dopo le modifiche |
Se l'evidenziatura è attivata, vengono evidenziate nei disegni le seguenti modifiche:
- Modifiche al modello che causano una variazione dei valori numerici di base.
- Quote importate in cui il tipo o il valore di tolleranza è stato cambiato nel modello.
- Quote importate con una variazione in Aggiungi parentesi o Quota d'ispezione.
- Quote importate con una variazione in Testo della quota (l'impostazione di default è <DIM>).
Per utilizzare la funzione di evidenziatura, è necessario prima salvare la parte o l'assieme e i disegni associati in SolidWorks 2012 o una versione successiva. Quando si riapre il disegno, le modifiche sono evidenziate. Se si passa con il mouse su una delle quote modificate, viene mostrata la quota precedente.

|
Quote modificate
|

|
Tolleranza modificata
|