Quotatura automatica di un disegno
Lo strumento Quotatura automatica consente di inserire le quote di riferimento nelle viste di disegno sotto forma di quote della linea di base, di catena o di ordinata. Lo strumento Quotatura automatica funziona in modo simile negli schizzi.
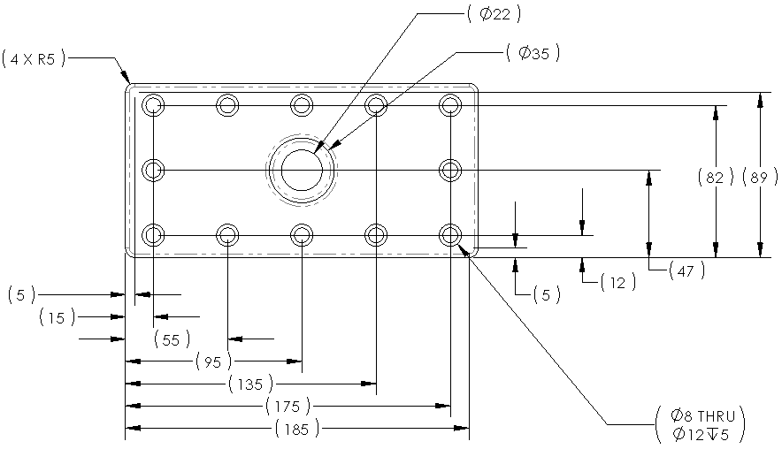
Di seguito ecco lo schema di quotatura della linea di base:

Per quotare automaticamente un disegno:
-
in un documento di disegno, fare clic su Quota intelligente
nella barra degli strumenti Quote/Relazioni.
-
Selezionare la scheda Quotatura automatica.
-
Impostare le proprietà nel PropertyManager di Quotatura automatica e fare clic su OK
.