Expand ВведениеВведение
Expand АдминистрированиеАдминистрирование
Expand Интерфейс пользователяИнтерфейс пользователя
Expand Основные принципы SolidWorksОсновные принципы SolidWorks
Expand Переход из  2D в 3DПереход из 2D в 3D
Expand СборкиСборки
Expand CircuitWorksCircuitWorks
Expand КонфигурацииКонфигурации
Expand SolidWorks CostingSolidWorks Costing
Expand Design CheckerDesign Checker
Expand Исследования проектирования в SolidWorksИсследования проектирования в SolidWorks
Collapse Чертежи и оформлениеЧертежи и оформление
Expand Оформление - ОбзорОформление - Обзор
Expand AnnotationsAnnotations
Expand ТаблицыТаблицы
Expand СпецификацияСпецификация
Expand Строки и столбцы таблицыСтроки и столбцы таблицы
Добавление текста обозначения в ячейки спецификации или таблицы
Расширение таблиц
Expand Уравнения в таблицахУравнения в таблицах
Expand Чертежные стандартыЧертежные стандарты
Expand Настройки печатиНастройки печати
Collapse ЧертежиЧертежи
Чертежи - Обзор
Expand Чертежи - ВведениеЧертежи - Введение
Expand Типы документов чертежейТипы документов чертежей
Expand Стандартные чертежные видыСтандартные чертежные виды
Expand Производные чертежные видыПроизводные чертежные виды
Expand Отображение и выравнивание чертежного видаОтображение и выравнивание чертежного вида
Expand Инструменты чертежаИнструменты чертежа
Expand Печать и отправка чертежейПечать и отправка чертежей
Expand Управление блоками заголовковУправление блоками заголовков
Expand Параметры печатиПараметры печати
Collapse Размеры на чертежахРазмеры на чертежах
Expand Размеры в чертежахРазмеры в чертежах
Отобразить/Скрыть размеры
Expand Подсветка измененных размеровПодсветка измененных размеров
Вставка размеров в чертежи
Тип размера
Параметры размеров
Выравнивание размеров и заметок
Выравнивание размеров: По параллели/концентрично
Выравнивание размеров: Коллинеарно/радиально
Быстрый размер
Авто-нанесение размеров
DimXpert
Параллельные размеры
Справочные размеры
Размеры базовой линии
Expand Ординатные размерыОрдинатные размеры
Размеры фаски
Expand Допуск и точностьДопуск и точность
Перемещение и копирование размеров
Expand Изменить размерИзменить размер
Удаление размеров
Expand Палитра размеровПалитра размеров
Выносные линии
Прикрепление выносных линий размеров
Размер до средней точки
Использование параметров привязки для перемещения выносных линий размеров
Expand Создание изгибов на выносных линияхСоздание изгибов на выносных линиях
Создание изгибов на выносных линиях размеров
Задание нескольких изгибов в выносках размера
PropertyManager Значение размера
Expand DFMXpressDFMXpress
Expand DriveWorksXpressDriveWorksXpress
Expand FloXpressFloXpress
Expand Импорт и экспортИмпорт и экспорт
Expand Крупномасштабный проектКрупномасштабный проект
Expand Отображение моделиОтображение модели
Expand Проектирование литейной формыПроектирование литейной формы
Expand Исследования движенияИсследования движения
Expand Детали и элементыДетали и элементы
Expand МаршрутМаршрут
Expand Листовой металлЛистовой металл
Expand SimulationSimulation
Expand SimulationXpressSimulationXpress
Expand ЭскизЭскиз
Expand Продукты SustainabilityПродукты Sustainability
Expand SolidWorks UtilitiesSolidWorks Utilities
Expand ОтклоненияОтклонения
Expand ToolboxToolbox
Expand Сварные деталиСварные детали
Expand Workgroup PDMWorkgroup PDM
Expand Устранение неполадокУстранение неполадок
Expand ГлоссарийГлоссарий
Скрыть содержание

Автонанесение размеров в чертеже

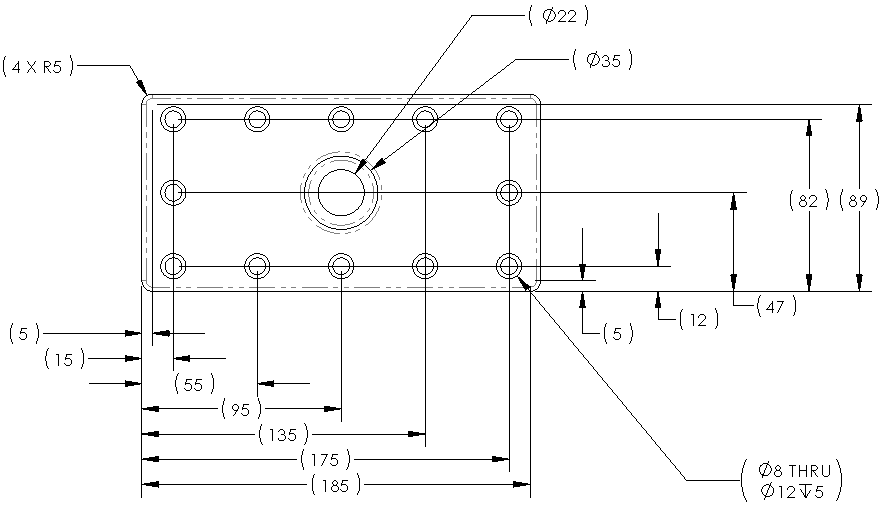
Можно использовать инструмент Авто-нанесение размеров для вставки справочных размеров в чертежные виды как размеров базовой линии, цепочки размеров и ординатных размеров. Инструмент Авто-нанесение размеров похожим образом работает в эскизах.

Ниже показана схема базовых размеров:

Чтобы выполнить авто-нанесение размеров в чертеже:

  1. В чертежном документе выберите Автонанесение размеров на панели инструментов Размеры/Взаимосвязи.

  2. Выберите вкладку Авто-нанесение размеров.

  3. Установите свойства в окне PropertyManager Автонанесение размеров, затем нажмите кнопку OK .



Оставьте отзыв об этом разделе

SOLIDWORKS благодарит Вас за отзыв по поводу представления, точности и полноты документации. Воспользуйтесь формой ниже, чтобы отправить свои комментарии и предложения о данном разделе справки в Отдел документации. Отдел документации не предоставляет ответы на вопросы по технической поддержке. Нажмите здесь для получения информации о технической поддержке.

* Обязательно

 
*Электронная почта:  
Тема:   Отзывы по поводу разделов Справки
Страница:   Автонанесение размеров в чертеже
*Отзыв:  
*   Я подтверждаю, что прочитал(а) и принимаю положения политики конфиденциальности, в соответствии с которыми Dassault Systèmes будет использовать мои персональные данные.

Печать разделов

Выберите содержимое для печати:

x

Вы используете более раннюю версию браузера, чем Internet Explorer 7. Для оптимизации отображения рекомендуется обновить Ваш браузер до версии Internet Explorer 7 или новее.

 Больше не отображать это сообщение
x

Версия содержимого веб-справки: SOLIDWORKS 2012 SP05

Чтобы отключить веб-справку в программе SOLIDWORKS и использовать локальную версию справки, нажмите Справка > Использовать веб-справку по SOLIDWORKS .

По проблемам, связанным с интерфейсом и поиском по веб-справке, обращайтесь к местному представителю службы поддержки. Чтобы оставить отзыв по отдельным темам справки, воспользуйтесь ссылкой "Отзыв об этом разделе" на странице нужного раздела.