错误信息 - 无法找到解
可能的错误信息
造成这些错误信息的可能原因
欲设定这些项的颜色,单击工具、选项、系统选项、颜色。对于无效的草图颜色,在系统颜色中选择草图、无效的几何体。对于无解的草图颜色,选择草图、未解出。单击编辑选择一个颜色,然后单击确定。
无效的几何体范例
|

|
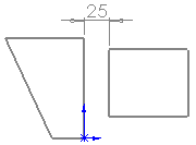
尺寸有效的原有草图
|

|
尺寸参考了对于此尺寸无效的草图实体。无效草图项目显示为红色。
此尺寸生成了一个无效草图,因为它生成了长度为零的直线。
|

|
可能的解决方法 1:
将尺寸界线拖动到对于此尺寸有效的实体,解出草图。
|

|
可能的解决方法 2:
将底部尺寸的值更改为 > 25,使底部水平线的长度不为零,解出草图。
|
无解几何体范例
|

|
原有草图
|

|
如果尺寸为 100,则将会生成无解草图,因为此尺寸不可能超出另外两个三角边的总和。无解草图显示为红色。
|

|
可能的解决方法:
将此尺寸更改为有解尺寸值,解出草图。
|
可能的修正措施
-
拖动尺寸,将其重新定位到有效实体。
-
删除尺寸或几何关系。
-
删除无效的几何体。
-
编辑其它尺寸值或几何体,消除冲突。
其它参考
SolidWorks 在线帮助主题: