隱藏目錄

強調顯示變更的尺寸

開啟工程圖時,如果尺寸自前次儲存工程圖後已變更,變更的尺寸會強調顯示。要查看變更的尺寸,您必須先在 SolidWorks 2012 或之後的版本中儲存零件或組合件和工程圖。儲存包含變更尺寸的工程圖並關閉之後,變更尺寸的強調顯示狀態會重設。
prj-17319-before-changes.gif prj-17319-after-changes.gif
變更之前 變更之後
開啟強調顯示時,下列變更會在工程圖中強調顯示:
  • 導致基本號碼值變更的模型變更
  • 公差類型或值已在模型中變更的已輸入尺寸
  • 加入括弧檢查尺寸發生變更的已輸入尺寸
  • 尺寸文字 (預設為 <DIM>) 發生變更的已輸入尺寸
要使用此強調顯示功能,您必須先在 SolidWorks 2012 或之後的版本中儲存零件或組合件及相關工程圖。重新開啟工程圖時,強調顯示的變更便會出現。若您移動至變更的尺寸上方,工具提示將顯示先前的尺寸。

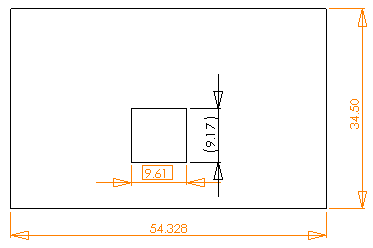
prj-17319-changed-dim.gif

變更的尺寸

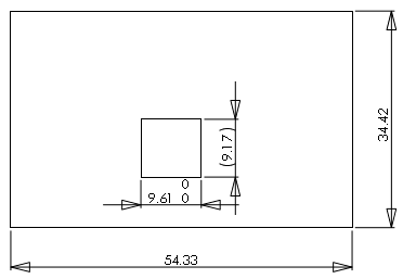
prj-17319-changed-tol.gif

變更的公差



提供對此主題的意見反應

SOLIDWORKS 歡迎您提供有關於文件呈現方式、正確性、及完整性的意見反應。請使用下方的表格直接將您對此主題的意見與建議傳送給我們的文件團隊。文件團隊並無法回答關於技術支援的問題。按一下此處來獲得關於技術支援的資訊

* 必要的

 
*電子郵件:  
主旨:   說明主題的意見反應
頁面:   強調顯示變更的尺寸
*意見:  
*   我承認已閱讀且僅此接受隱私權政策,Dassault Systèmes 將遵循此政策之規定使用我的個人資料

列印主題

選擇要列印的內容範圍:

x

偵測到您使用的瀏覽器版本是舊於 Internet Explorer 7。要獲得最佳的顯示,建議您升級瀏覽器到 Internet Explorer 7 或更新的版本。

 不要再次顯示此訊息
x

Web 式說明內容版本:SOLIDWORKS 2012 SP05

要從 SOLIDWORKS 中停用 Web 式的說明並改用本機說明,請按一下說明 > 使用 SOLIDWORKS Web 式說明

要報告在 Web 式說明介面及搜尋中遇到的問題,請聯絡您當地的技術支援代表。要針對個別說明主題提供意見反應,請使用個別主題頁面中的「提供對此主題的意見反應」連結。