錯誤訊息 - 無法找到解答
可能的錯誤訊息
這些錯誤訊息的可能原因
若要設定這些項目的色彩,按一下 工具、選項、系統選項、色彩。 對於無效草圖的色彩,選擇系統色彩中的草圖、無效的幾何。 對於無法解出的草圖色彩,選擇草圖、無法解出。 按一下編輯,選擇色彩,然後按一下確定。
無效的幾何範例
|

|
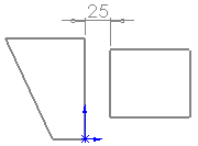
包含有效尺寸的原始草圖
|

|
尺寸參考不適用於該尺寸的草圖圖元。 無效的草圖圖元以紅色顯示。
尺寸將產生無效的草圖,因為它會產生一條零長度的直線。
|

|
可能的解決方法 1:
將尺寸界線拖曳至該尺寸的有效圖元以解出草圖。
|

|
可能的解決方法 2:
將底部尺寸的值變更為 > 25 的值,這樣底部水平線就是非零長度,從而解出草圖。
|
無法解出的幾何範例
|

|
原始草圖
|

|
尺寸 100 產生無法解出的草圖,因為該尺寸無法超過三角形另外兩邊的總值。 無法解出的草圖以黃色顯示。
|

|
可能的解決方法:
將尺寸變更為可以解出的尺寸值來解出草圖。
|
可能的解決方法
-
拖曳以將尺寸重新定位至有效的圖元。
-
刪除尺寸或限制條件。
-
刪除無效的幾何。
-
編輯其他尺寸值或幾何,使之沒有衝突。
其他參考
SolidWorks 線上說明主題: