隱藏目錄

自訂比例範例

工程圖頁比例 自訂列印的比例 列印輸出
1:1 1:1  
box1.gif box1.gif box1.gif

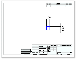
1 英吋 x 1 英吋的方塊會以相同的比例列印 (1 英吋 x 1 英吋)。

1:1 2:1  
box1.gif box2.gif box222.gif

即使尺寸值維持相同,1 英吋 x 1 英吋的方塊仍會列印為 2 英吋 x 2 英吋的方塊。(反之,如果您設定自訂比例為 1:2,方塊會以 0.5 英吋 x 0.5 英吋列印)。

1:2 1:1  
box3.gif box44.gif box333.gif

1 英吋 x 1 英吋的方塊會列印為 1 英吋 x 1 英吋的方塊。不過,只有工程圖的四分之一會被列印出來,因為工程圖會會被放大,好讓方塊成為 1:1 的比例。

D-Landscape 1:1 A-Landscape 1:1  
box4.gif box44.gif box333.gif

由於工程圖頁比例相同,因此 1 英吋 x 1 英吋的方塊會列印為 1 英吋 x 1 英吋的方塊。不過,只有工程圖的八分之一會被列印出來,因為 A-Landscape 圖頁是 D-Landscape 圖頁大小的八分之一。



提供對此主題的意見反應

SOLIDWORKS 歡迎您提供有關於文件呈現方式、正確性、及完整性的意見反應。請使用下方的表格直接將您對此主題的意見與建議傳送給我們的文件團隊。文件團隊並無法回答關於技術支援的問題。按一下此處來獲得關於技術支援的資訊

* 必要的

 
*電子郵件:  
主旨:   說明主題的意見反應
頁面:   自訂比例範例
*意見:  
*   我承認已閱讀且僅此接受隱私權政策,Dassault Systèmes 將遵循此政策之規定使用我的個人資料

列印主題

選擇要列印的內容範圍:

x

偵測到您使用的瀏覽器版本是舊於 Internet Explorer 7。要獲得最佳的顯示,建議您升級瀏覽器到 Internet Explorer 7 或更新的版本。

 不要再次顯示此訊息
x

Web 式說明內容版本:SOLIDWORKS 2012 SP05

要從 SOLIDWORKS 中停用 Web 式的說明並改用本機說明,請按一下說明 > 使用 SOLIDWORKS Web 式說明

要報告在 Web 式說明介面及搜尋中遇到的問題,請聯絡您當地的技術支援代表。要針對個別說明主題提供意見反應,請使用個別主題頁面中的「提供對此主題的意見反應」連結。