Error Message - No Solution Found
Potential Error Messages
Potential Reasons for These Error Messages
To set the color for these items, click Tools, Options, System Options, Colors. For the invalid sketch color, select Sketch, Invalid Geometry in System Colors. For the unsolvable sketch color, select Sketch, Not Solved. Click Edit, select a color, then click OK.
Invalid Geometry Example
|

|
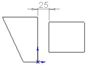
Original sketches with valid dimension
|

|
The dimension references a sketch entity that is not valid for this dimension. The invalid sketch item is shown in red.
The dimension creates an invalid sketch because it creates a zero-length line.
|

|
Potential Solution 1:
Sketch solved by dragging the dimension witness line to a valid entity for this dimension.
|

|
Potential Solution 2:
Sketch solved by changing the bottom dimension to a value > 25 so the bottom horizontal line is non-zero length.
|
Unsolvable Geometry Example
|

|
Original sketch
|

|
The dimension of 100 creates an unsolvable sketch because it is impossible for that dimension to exceed the total of the two other triangle sides. The unsolvable sketch is shown in yellow.
|

|
Potential Solution:
Sketch solved by changing the dimension to a solvable dimension value.
|
Potential Fixes
-
Drag to reposition the dimension to a valid entity.
-
Delete dimensions or relations.
-
Delete invalid geometry.
-
Edit other dimension values or geometry so there is no conflict.
Other References
SolidWorks Online Help topics: