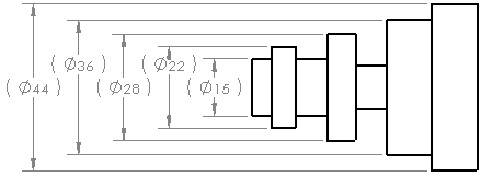
È possibile utilizzare il manipolatore di quota rapida per inserire le quote in modo che risultino equidistanti e facili da leggere.
Il manipolatore appare quando si inseriscono le quote nelle viste di disegno. Utilizzarlo per inserire le quote a intervalli equidistanti. Ad esempio, se si inserisce una quota tra due quote esistenti, la nuova quota viene distanziata in modo equo tra le due.
Usare il manipolatore di quota rapida per posizionare rapidamente le quote.

È possibile controllare la spaziatura utilizzata dal manipolatore di quota rapida in sotto Distanze offset.
Quando il manipolatore di quota rapida crea le quote su una linea di mezzeria simmetrica, qualsiasi quota che potrebbe sovrapporsi viene sfalsata nei disegni secondo lo standard ANSI.

Per disattivare il manipolatore di quotatura rapida, nel PropertyManager Quota, in Strumenti di assistenza quote, deselezionare Quotatura rapida. Questa impostazione persiste su tutte le sessioni.
Quando il manipolatore di quotatura rapida viene attivato, interromperlo facendo clic sul tasto ESC. Premere ESC di nuovo interromperà lo strumento Quota intelligente.