Expand 개요개요
Expand 관리관리
Expand 사용자 인터페이스사용자 인터페이스
Expand SolidWorks 기초SolidWorks 기초
Expand 기존 2D 사용자를 위한 도움말기존 2D 사용자를 위한 도움말
Expand 어셈블리어셈블리
Expand CircuitWorksCircuitWorks
Expand 설정설정
Expand SolidWorks CostingSolidWorks Costing
Expand Design CheckerDesign Checker
Expand SolidWorks 설계 스터디SolidWorks 설계 스터디
Collapse 도면 및 도면화도면 및 도면화
Expand DFMXpressDFMXpress
Expand DriveWorksXpressDriveWorksXpress
Expand FloXpressFloXpress
Expand 불러오기/내보내기불러오기/내보내기
Expand 대규모 설계대규모 설계
Expand 모델 표시모델 표시
Expand 금형 설계금형 설계
Expand 모션 스터디모션 스터디
Expand 파트와 피처파트와 피처
Expand RoutingRouting
Expand 판금판금
Expand SimulationSimulation
Expand SimulationXpressSimulationXpress
Expand 스케치스케치
Expand Sustainability 제품Sustainability 제품
Expand SolidWorks UtilitiesSolidWorks Utilities
Expand 공차공차
Expand ToolboxToolbox
Expand 용접구조물용접구조물
Expand Workgroup PDMWorkgroup PDM
Expand 문제 해결문제 해결
Expand 용어용어
목차 숨기기

도면 치수 자동 기입

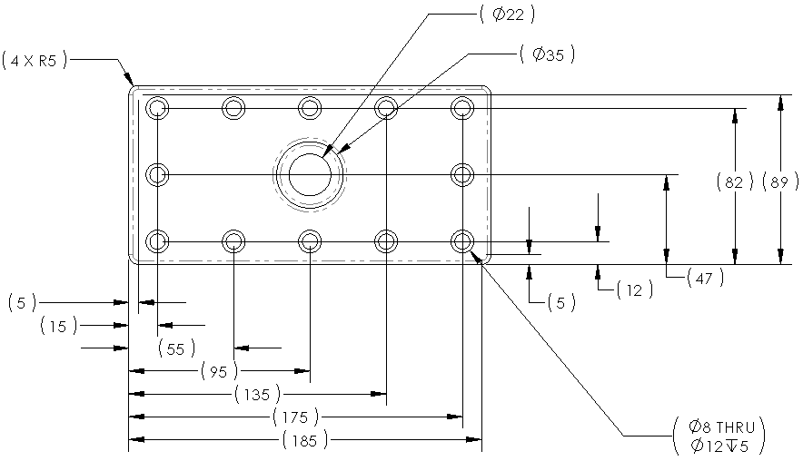
자동 치수 도구를 사용하여 도면뷰에 베이스라인, 체인, 좌표 치수 등과 같은 참조 치수를 자동으로 삽입할 수 있습니다. 자동 치수 도구는 스케치에의 기능과 유사합니다.

아래 그림은 베이스라인 치수 구조입니다.

도면 치수 자동으로 기입하기

  1. 도면 문서에서, 치수/구속조건 도구 모음의 지능형 치수 를 클릭합니다.

  2. 자동 치수 탭을 선택합니다.

  3. 자동 치수 PropertyManager에서 속성을 지정하고, 확인 을 클릭합니다.



이 도움말에 대한 피드백 제공

SOLIDWORKS는 도움말 정보의 개선을 위한 고객님의 제안 사항과 의견을 환영합니다. 제안하고자 하는 의견을 아래 양식에 작성하여 도움말 문서 팀에 직접 전달할 수 있습니다. 문서 팀은 제품에 관한 기술적인 지원은 하지 않습니다. 기술 지원에 관한 정보는 여기를 클릭하십시오.

* 필수 입력

 
*전자 메일:  
제목:   도움말에 대한 피드백
페이지:   도면 치수 자동 기입
*사용자 의견:  
*   개인정보 보호정책을 읽었으며 본 정책에 따라 Dassault Systèmes에서 내 개인 정보를 사용하는 것에

인쇄 항목

인쇄할 콘텐츠 범위 선택:

x

Internet Explorer 7 이전 버전을 사용하고 있습니다. 페이지를 최적화하려면 사용 브라우저를 Internet Explorer 7 이상으로 업그레이드합니다.

 이 메시지를 다시 표시하지 않음
x

웹 도움말 콘텐츠 버전: SOLIDWORKS 2012 SP05

SOLIDWORKS에서 웹 도움말 기능을 비활성화하고 로컬 도움말을 사용하려면, 도움말 > SOLIDWORKS 웹 도움말 사용을 클릭합니다.

웹 도움말 인터페이스나 검색 기능에서 발생한 오류 사항을 보고하려면, 로컬 지원 서비스 담당자에게 문의하십시오. 개별 도움말 항목에 대한 피드백을 제공하려면, 각 도움말 페이지의 "이 단원에 대한 피드백 제공" 링크를 사용하십시오.