도면을 열 때 마지막으로 도면을 저장한 이후로 치수가 변경되었다면 변경된 치수가 하이라이트됩니다. 변경된 치수를 보려면 파트나 어셈블리 및 도면을 먼저 SolidWorks 2012 이상에서 저장해야 합니다. 변경된 치수로 도면을 저장하고 닫으면 변경된 치수 하이라이트가 재설정됩니다.
 |
 |
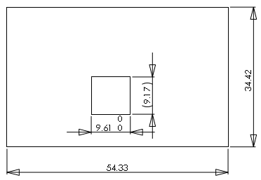
변경 전 |
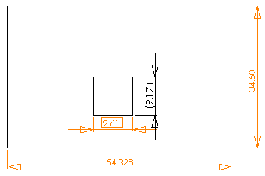
변경 후 |
하이라이트가 켜져 있으면 도면에서 다음과 같은 변경 사항이 하이라이트됩니다.
- 베이스 숫자 값이 변경시키는 모델 변경 사항
- 공차 유형 또는 값이 모델에서 변경된 경우 가져온 치수
- 괄호 붙여주기 또는 검사 치수에 변경 사항이 있는 경우 가져온 치수
- 치수 문자(기본적으로 <DIM>)에 변경 사항이 있는 경우 가져온 치수
이 하이라이트 기능을 사용하려면 먼저 파트나 어셈블리 및 관련 도면을 SolidWorks 2012 이상에서 저장해야 합니다. 도면을 다시 열면 하이라이트된 변경 사항이 나타납니다. 변경된 치수 위로 마우스를 올려 놓으면 도구 정보가 나타나 이전 치수를 표시합니다.

|
변경된 치수
|

|
변경된 공차
|