Сообщение об ошибке - Решение не найдено
Возможные сообщения об ошибках
Возможные причины этих сообщений об ошибках
-
Неверные объекты. Геометрия эскиза не может определить положение одного или нескольких объектов эскиза.
-
Нерешаемые объекты. Геометрия эскиза будет геометрически недопустимой, если расчет эскиза выполнен.
Чтобы указать цвет для таких объектов, выберите Инструменты, Параметры, Настройки пользователя, Цвета. Для цвета неверного эскиза выберите Эскиз, Недопустимая геометрия в разделе Системные цвета. Для выбора нерешаемого эскиза выберите Эскиз, Не решен. Выберите Правка, выберите цвет и нажмите OK.
Пример неверной геометрии
|

|
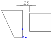
Исходные эскизы с верными размерами
|

|
Размер ссылается на объект эскиза, неверный для этого размера. Неверный объект эскиза отображается красным цветом.
Размер создает неверный эскиз, т.к. он создает линии нулевой длины.
|

|
Возможное решение 1:
Решение эскиза путем перетаскивания выносной линии размера к верному для данного размера объекту.
|

|
Возможное решение 2:
Решение эскиза путем изменения нижнего размера на значение > 25, чтобы нижняя горизонтальная линия не была нулевой длины.
|
Пример нерешаемой геометрии
|

|
Исходный эскиз
|

|
Размер 100 создает нерешаемый эскиз, т.к. этот размер не может превышать сумму двух других треугольных сторон. Нерешаемый эскиз отображается желтым цветом.
|

|
Возможное решение:
Решение эскиза путем изменения размера на решаемое значение.
|
Возможные исправления
-
Перетащите к допустимому объекту для повторного размещения размера.
-
Удалите размеры или взаимосвязи.
-
Удалить неверную геометрию.
-
Отредактируйте другие значения размеров или геометрию для удаления конфликтов.
Другие ссылки
Разделы оперативной справки SolidWorks: