SolidWorks 설정을 사용하여 하나의 문서 내에서 파트나 어셈블리의 모델을 다각화할 수 있습니다. 다양한 치수, 부품, 기타 변수 등을 설정하여 모델 군을 쉽게 처리하고 관리할 수 있습니다.
설정을 임의로 작성하거나 설계 변수 테이블을 사용하여 여러 설정을 동시에 작성할 수 있습니다. 설계 변수 테이블을 사용하면 사용이 편리한 워크시트에서 설정을 작성하고 관리할 수 있습니다. 파트와 어셈블리 문서 모두에서 설계 변수 테이블을 사용할 수 있습니다.
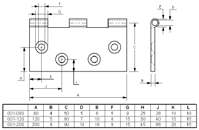
도면에서 설계 변수 테이블을 표시할 수 있습니다.
