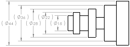
С помощью манипулятора быстрого размера можно нанести размеры с равными интервалами, чтобы их было удобнее считывать.
Манипулятор быстрого размера отображается при вставке размеров в чертежные виды. Используйте его, если требуется равномерно нанести размеры. Например, новый размер, вставленный между двумя другими, будет автоматически расположен посередине.
Используйте манипулятор быстрого размера для эффективного размещения размеров.

Чтобы настроить инструмент быстрого размера, выберите в разделе Расстояния смещения.
Чтобы избежать наложения при нанесении размеров на симметричную осевую линию с помощью манипулятора быстрого размера, размеры располагаются в шахматном порядке в соответствии со стандартом ANSI.

Чтобы отключить манипулятор быстрого размера, в PropertyManager Размер в разделе Инструменты нанесения размеров очистите параметр Быстрый размер. Эта настройка распространяется на все сессии.
Если манипулятор Быстрого размера включен, его можно отключить, нажав на клавишу ESC. Повторное нажатие клавиши ESC отключает инструмент Автоматическое нанесение размеров.