Puede convertir una vista de dibujo a entidades de croquis o a un bloque de entidades de croquis con el PropertyManager Convertir vista a croquis.
En una vista de dibujo, haga clic con el botón derecho y seleccione Convertir vista a croquis.
Estado de visualización
Sustituir la vista por un croquis |
Sustituye la vista de dibujo por entidades de croquis 2D equivalentes.
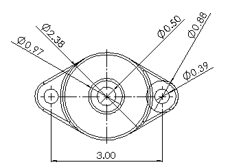
Vista de dibujo original |
 |
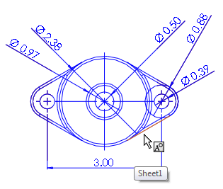
Entidades de croquis 2D equivalentes |
 |
|
Sustituir la vista por un bloque |
Sustituye la vista de dibujo por entidades de croquis 2D equivalentes agrupadas en un bloque.
Vista de dibujo original |
 |
Bloque con entidades de croquis 2D equivalentes |

|
|
Insertar como bloque |
Crea un bloque separado formado por entidades de croquis 2D equivalentes que puede colocar en cualquier lugar del dibujo.  En este ejemplo, el bloque de la derecha se agrega a la vista de dibujo, en lugar de sustituir a la vista de dibujo de la izquierda.
|
Punto de inserción
Disponible cuando selecciona Sustituir la vista por un bloque o Insertar como bloque.
Inserta un manipulador de punto y una línea indicativa que podrá arrastrar de manera independiente a la posición necesaria.