可能的錯誤訊息
- 草圖沒有更新,因為解出它會產生無效的幾何(例如零長度的直線)。請考慮:
- 刪除無效的幾何。
- 變更限制條件或尺寸以刪除無效的幾何。
這些錯誤訊息的可能原因
|
無效的項目
|
草圖幾何無法決定一或多個草圖圖元的位置。
|
|
無法解出的項目
|
如果草圖被解出,則草圖幾何將是無效的。
|
若要設定這些項目的色彩,按一下。對於無效草圖的色彩,選擇系統色彩中的草圖、無效的幾何。對於無法解出的草圖色彩,選擇草圖、無法解出。按一下編輯,選擇色彩,然後按一下確定。
| 無效的幾何範例
|
 |
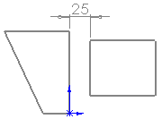
包含有效尺寸的原始草圖 |
 |
尺寸參考不適用於該尺寸的草圖圖元。無效的草圖圖元以紅色顯示。
尺寸將產生無效的草圖,因為它會產生一條零長度的直線。
|
 |
可能的解決方法 1:
將尺寸界線拖曳至該尺寸的有效圖元以解出草圖。
|
 |
可能的解決方法 2:
將底部尺寸的值變更為 > 25 的值,這樣底部水平線就是非零長度,從而解出草圖。
|
| 無法解出的幾何範例 |
 |
原始草圖 |
 |
尺寸 100 會產生無法解出的草圖,因為該尺寸無法超過三角形另外兩邊的總和。無法解出的草圖以黃色顯示。
|
 |
可能的解決方法:
將尺寸變更為可以解出的尺寸值來解出草圖。
|
可能的解決方法
- 拖曳以將尺寸重新定位至有效的圖元。
- 刪除尺寸或限制條件。
- 刪除無效的幾何。
- 編輯其他尺寸值或幾何,使之沒有衝突。