Expand 簡介簡介
Expand 管理管理
Expand 使用者介面使用者介面
Expand SolidWorks 基礎知識SolidWorks 基礎知識
Expand 從 2D 到 3D從 2D 到 3D
Expand 組合件組合件
Expand CircuitWorksCircuitWorks
Expand 模型組態模型組態
Expand SolidWorks CostingSolidWorks Costing
Expand Design CheckerDesign Checker
Expand SolidWorks 中的設計研究SolidWorks 中的設計研究
Collapse 尺寸細目和工程圖尺寸細目和工程圖
Expand DFMXpressDFMXpress
Expand DriveWorksXpressDriveWorksXpress
Expand FloXpressFloXpress
Expand 輸入和輸出輸入和輸出
Expand 模型顯示模型顯示
Expand 模具設計模具設計
Expand 動作研究動作研究
Expand 零件和特徵零件和特徵
Expand 線路設計線路設計
Expand 鈑金鈑金
Expand 模擬模擬
Expand SimulationXpressSimulationXpress
Expand 草圖繪製草圖繪製
Expand Sustainability 產品Sustainability 產品
Expand SolidWorks Utilities 公用程式SolidWorks Utilities 公用程式
Expand 公差公差
Expand TolAnalystTolAnalyst
Expand ToolboxToolbox
Expand 熔接熔接
Expand Workgroup PDMWorkgroup PDM
Expand 疑難排解疑難排解
語彙
隱藏目錄

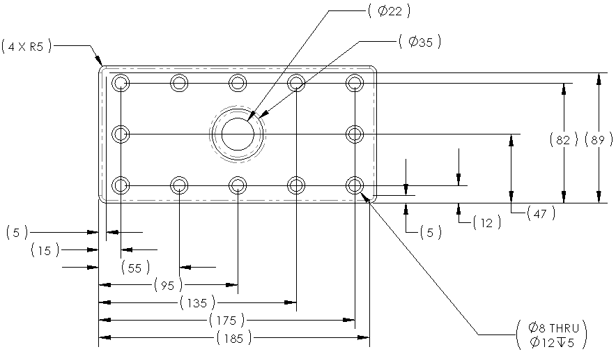
自動標註工程圖尺寸

您可以使用自動標註尺寸工具將參考尺寸插入工程視圖作為基準尺寸、連續尺寸及座標尺寸。自動標註工具在草圖中也是類似的操作。

下方顯示一基準尺寸的配置:
autodim_baseline2.gif



提供對此主題的意見反應

SOLIDWORKS 歡迎您提供有關於文件呈現方式、正確性、及完整性的意見反應。請使用下方的表格直接將您對此主題的意見與建議傳送給我們的文件團隊。文件團隊並無法回答關於技術支援的問題。按一下此處來獲得關於技術支援的資訊

* 必要的

 
*電子郵件:  
主旨:   說明主題的意見反應
頁面:   自動標註工程圖尺寸
*意見:  
*   我承認已閱讀且僅此接受隱私權政策,Dassault Systèmes 將遵循此政策之規定使用我的個人資料

列印主題

選擇要列印的內容範圍:

x

偵測到您使用的瀏覽器版本是舊於 Internet Explorer 7。要獲得最佳的顯示,建議您升級瀏覽器到 Internet Explorer 7 或更新的版本。

 不要再次顯示此訊息
x

Web 式說明內容版本:SOLIDWORKS 2013 SP05

要從 SOLIDWORKS 中停用 Web 式的說明並改用本機說明,請按一下說明 > 使用 SOLIDWORKS Web 式說明

要報告在 Web 式說明介面及搜尋中遇到的問題,請聯絡您當地的技術支援代表。要針對個別說明主題提供意見反應,請使用個別主題頁面中的「提供對此主題的意見反應」連結。