隱藏目錄

將視圖轉換為草圖 PropertyManager

您可以使用將視圖轉換為草圖 PropertyManager,來將工程視圖轉換為草圖圖元或草圖圖元圖塊。

要存取 PropertyManager,請在工程視圖中,按右鍵並按一下將視圖轉換為草圖

顯示狀態

用草圖取代視圖
用同等 2D 草圖圖元取代工程視圖。
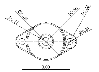
原始工程視圖 wn-original-drawing-view.png
同等 2D 草圖圖元 wn-original-drawing-view-block1.png
用圖塊取代視圖
用在圖塊中分組的同等 2D 草圖圖元取代工程視圖。
原始工程視圖 wn-original-drawing-view-dims.png
具有同等 2D 草圖圖元的圖塊
wn-original-drawing-view-dims-block2.png
作為圖塊插入
產生一個您可以放置在工程圖中任何地方之包含同等 2D 草圖圖元的單獨圖塊。
insert-as-block-final.png
在本範例中,會將右側的圖塊加入至工程視圖,而不是取代左側的工程視圖。

插入點

當您選擇以圖塊取代視圖作為圖塊插入時可用。

在圖面中插入操控點與導線,以便您可以單獨拖曳來放置圖塊。



提供對此主題的意見反應

SOLIDWORKS 歡迎您提供有關於文件呈現方式、正確性、及完整性的意見反應。請使用下方的表格直接將您對此主題的意見與建議傳送給我們的文件團隊。文件團隊並無法回答關於技術支援的問題。按一下此處來獲得關於技術支援的資訊

* 必要的

 
*電子郵件:  
主旨:   說明主題的意見反應
頁面:   將視圖轉換為草圖 PropertyManager
*意見:  
*   我承認已閱讀且僅此接受隱私權政策,Dassault Systèmes 將遵循此政策之規定使用我的個人資料

列印主題

選擇要列印的內容範圍:

x

偵測到您使用的瀏覽器版本是舊於 Internet Explorer 7。要獲得最佳的顯示,建議您升級瀏覽器到 Internet Explorer 7 或更新的版本。

 不要再次顯示此訊息
x

Web 式說明內容版本:SOLIDWORKS 2013 SP05

要從 SOLIDWORKS 中停用 Web 式的說明並改用本機說明,請按一下說明 > 使用 SOLIDWORKS Web 式說明

要報告在 Web 式說明介面及搜尋中遇到的問題,請聯絡您當地的技術支援代表。要針對個別說明主題提供意見反應,請使用個別主題頁面中的「提供對此主題的意見反應」連結。