隱藏目錄

錯誤訊息 - 無法找到解答

可能的錯誤訊息

  • 草圖沒有更新,因為解出它會產生無效的幾何(例如零長度的直線)。請考慮:
    • 刪除無效的幾何。
    • 變更限制條件或尺寸以刪除無效的幾何。

這些錯誤訊息的可能原因

無效的項目

草圖幾何無法決定一或多個草圖圖元的位置。

無法解出的項目

如果草圖被解出,則草圖幾何將是無效的。

若要設定這些項目的色彩,按一下 工具 > 選項 > 系統選項 > 色彩 。對於無效草圖的色彩,選擇系統色彩中的草圖、無效的幾何。對於無法解出的草圖色彩,選擇草圖、無法解出。按一下編輯,選擇色彩,然後按一下確定
無效的幾何範例
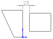
包含有效尺寸的原始草圖

尺寸參考不適用於該尺寸的草圖圖元。無效的草圖圖元以紅色顯示。

尺寸將產生無效的草圖,因為它會產生一條零長度的直線。

可能的解決方法 1:

將尺寸界線拖曳至該尺寸的有效圖元以解出草圖。

可能的解決方法 2:

將底部尺寸的值變更為 > 25 的值,這樣底部水平線就是非零長度,從而解出草圖。

無法解出的幾何範例
原始草圖

尺寸 100 會產生無法解出的草圖,因為該尺寸無法超過三角形另外兩邊的總和。無法解出的草圖以黃色顯示。

可能的解決方法:

將尺寸變更為可以解出的尺寸值來解出草圖。

可能的解決方法

  • 拖曳以將尺寸重新定位至有效的圖元。
  • 刪除尺寸或限制條件。
  • 刪除無效的幾何。
  • 編輯其他尺寸值或幾何,使之沒有衝突。


提供對此主題的意見反應

SOLIDWORKS 歡迎您提供有關於文件呈現方式、正確性、及完整性的意見反應。請使用下方的表格直接將您對此主題的意見與建議傳送給我們的文件團隊。文件團隊並無法回答關於技術支援的問題。按一下此處來獲得關於技術支援的資訊

* 必要的

 
*電子郵件:  
主旨:   說明主題的意見反應
頁面:   錯誤訊息 - 無法找到解答
*意見:  
*   我承認已閱讀且僅此接受隱私權政策,Dassault Systèmes 將遵循此政策之規定使用我的個人資料

列印主題

選擇要列印的內容範圍:

x

偵測到您使用的瀏覽器版本是舊於 Internet Explorer 7。要獲得最佳的顯示,建議您升級瀏覽器到 Internet Explorer 7 或更新的版本。

 不要再次顯示此訊息
x

Web 式說明內容版本:SOLIDWORKS 2013 SP05

要從 SOLIDWORKS 中停用 Web 式的說明並改用本機說明,請按一下說明 > 使用 SOLIDWORKS Web 式說明

要報告在 Web 式說明介面及搜尋中遇到的問題,請聯絡您當地的技術支援代表。要針對個別說明主題提供意見反應,請使用個別主題頁面中的「提供對此主題的意見反應」連結。