Sie können eine Zeichnungsansicht in Skizzenelemente oder einen Block von Skizzenelementen umwandeln. Verwenden Sie dazu den PropertyManager Ansicht in Skizze umwandeln.
Um den PropertyManager aufzurufen, klicken Sie mit der rechten Maustaste in eine Zeichnung, und klicken Sie auf Ansicht in Skizze umwandeln.
Anzeigestatus
Ansicht durch Skizze ersetzen |
Ersetzt die Zeichnungsansicht durch die entsprechenden 2D-Skizzenelemente.
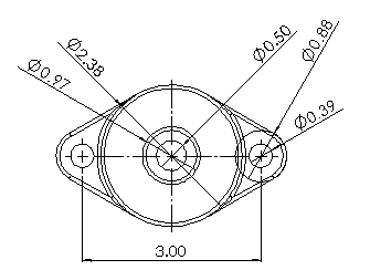
Ursprüngliche Zeichenansicht |
 |
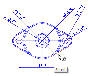
Äquivalente 2D-Skizzenelemente |
 |
|
Ansicht mit Block ersetzen |
Ersetzt die Zeichnungsansicht durch die entsprechenden 2D-Skizzenelemente, die in einem Block gruppiert sind.
Ursprüngliche Zeichenansicht |
 |
Block mit äquivalenten 2D-Skizzenelementen |

|
|
Als Block einfügen |
Erstellt einen separaten Block mit äquivalenten 2D-Skizzenelementen, den Sie an beliebiger Stelle in der Zeichnung platzieren können.  In diesem Beispiel wird der Block rechts zur Zeichenansicht hinzugefügt, statt die Zeichenansicht links zu ersetzen.
|
Einfügepunkt
Verfügbar, wenn Sie Ansicht mit Block ersetzen oder Als Block einfügen auswählen.
Fügt einen Pointmanipulator und eine Hinweislinie in den Grafikbereich ein, die Sie unabhängig voneinander ziehen können, um den Block zu platzieren.