스케치로 뷰 변환 PropertyManager를 사용하여 도면 뷰를 스케치 요소 또는 스케치 요소 블럭으로 변환할 수 잇습니다.
PropertyManager에 액세스하려면 도면뷰에서 오른쪽 클릭하고 스케치로 뷰 변환을 클릭합니다.
표시 상태
뷰를 스케치로 대치 |
도면 뷰 를 상응하는 2D 스케치 요소로 대치.
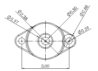
원래 도면뷰 |
 |
상응하는 2D 스케치 요소 |
 |
|
블록으로 뷰 대치 |
도면 뷰를 블록으로 그룹화된 상응하는 2D 스케치 요소로 대치.
원래 도면뷰 |
 |
상응하는 2D 스케치 요소의 블록 |

|
|
블럭으로 삽입 |
도면의 원하는 곳에 배치할 수 있는 상응하는 2D 스케치 요소로 구성된 별도의 블록을 만듭니다.  이 예제에서 왼쪽의 도면 뷰를 교체하지 않고 오른쪽의 블록을 도면 뷰에 추가합니다.
|
삽입점
뷰를 블럭으로 바꾸기 또는 블럭으로 삽입을 선택할 때 사용할 수 있습니다.
그래픽 영역에서 점 조정자와 지시선을 삽입합니다. 여기서는 개별적으로 끌어 블럭을 배치할 수 있습니다.