Você pode converter um desenho em entidades de esboço ou um bloco de entidades de esboço usando o PropertyManager de Converter vista em esboço.
Para abrir este PropertyManager:
Na vista de desenho, clique com o botão direito e clique em Converter vista em esboço.
Estado de exibição
Substituir a vista com o esboço |
Substitui a vista de desenho por entidades equivalentes de esboço em 2D.
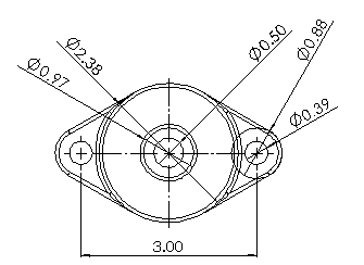
Vista de desenho original |
 |
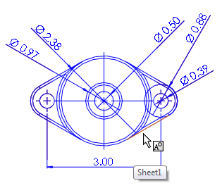
Entidades equivalentes de esboço em 2D |
 |
|
Substituir vista com bloco |
Substitui a vista de desenho por entidades equivalentes de esboço em 2D agrupadas em um bloco.
Vista de desenho original |
 |
Bloco com entidades equivalente de esboço em 2D. |

|
|
Inserir como bloco |
Cria um bloco separado composto por entidades equivalentes de esboço em 2D que podem ser posicionadas em qualquer lugar do desenho.  Neste exemplo, o bloco na direita é adicionado à vista de desenho, e não subsitutui a vista de desenho à esquerda.
|
Ponto de inserção
Disponível quando você seleciona Substituir vista por bloco ou Inserir como bloco.
Insere um manipulador de ponto e uma linha de chamada na área de gráficos que você pode arrastar independentemente para posicionar o bloco.