Expand ВведениеВведение
Expand АдминистрацияАдминистрация
Expand Интерфейс пользователяИнтерфейс пользователя
Collapse Основные принципы SolidWorksОсновные принципы SolidWorks
Основные понятия
Базовые команды: Вырезать, копировать, вставить, отменить и повтор
Expand Справка, поиск и веб-ресурсыСправка, поиск и веб-ресурсы
Collapse Основные действия с документамиОсновные действия с документами
Expand Параметры SolidWorksПараметры SolidWorks
Expand ОтобразитьОтобразить
Expand ВыборВыбор
Expand Свойства файлаСвойства файла
Expand Инструмент измеренияИнструмент измерения
Expand ДатчикиДатчики
Expand УравненияУравнения
Expand Инструменты проектирования для разных индустрийИнструменты проектирования для разных индустрий
Обзор Xperts
Приложения
Быстрый запуск SolidWorks
Expand Связь и внедрение объектовСвязь и внедрение объектов
Expand Запись и выполнение макросаЗапись и выполнение макроса
Expand Взаимодействие с предыдущими выпусками Взаимодействие с предыдущими выпусками
Интерфейс программирования приложений (API) SolidWorks
SolidWorks Task Scheduler
Expand Переход из  2D в 3DПереход из 2D в 3D
Expand СборкиСборки
Expand CircuitWorksCircuitWorks
Expand КонфигурацииКонфигурации
Expand SolidWorks CostingSolidWorks Costing
Expand Design CheckerDesign Checker
Expand Исследования проектирования в SolidWorksИсследования проектирования в SolidWorks
Expand Чертежи и оформлениеЧертежи и оформление
Expand DFMXpressDFMXpress
Expand DriveWorksXpressDriveWorksXpress
Expand FloXpressFloXpress
Expand Импорт и экспортИмпорт и экспорт
Expand Отображение моделиОтображение модели
Expand Проектирование литейной формыПроектирование литейной формы
Expand Исследования движенияИсследования движения
Expand Детали и элементыДетали и элементы
Expand МаршрутМаршрут
Expand Листовой металлЛистовой металл
Expand SimulationSimulation
Expand SimulationXpressSimulationXpress
Expand Создание эскизаСоздание эскиза
Expand Продукты Sustainability Продукты Sustainability
Expand SolidWorks UtilitiesSolidWorks Utilities
Expand ОтклоненияОтклонения
Expand TolAnalystTolAnalyst
Expand ToolboxToolbox
Expand Сварные деталиСварные детали
Expand Workgroup PDMWorkgroup PDM
Expand Устранение неполадокУстранение неполадок
Глоссарий
Скрыть содержание

Примеры Настройки масштаба

Масштаб листа чертежа 1:1
box1.gif
Настройка масштаба для печати 1:1
box1.gif
Распечатка
box1.gif

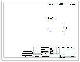
Прямоугольник размером 1 x 1 дюйм распечатывается с этим же масштабом (1 x 1 дюйм).

Масштаб листа чертежа 1:1
box1.gif
Масштаб листа чертежа 2:1
box2.gif
Распечатка
box222.gif

Прямоугольник размером 1 x 1 дюйм распечатывается как прямоугольник размером 2 x 2 дюйма, даже если значения размеров остаются неизменными. (И наоборот, если настроить масштаб 1:2, прямоугольник будет распечатан размером 0,5 x 0,5 дюйма.)

Масштаб листа чертежа 1:2
box3.gif
Настройка масштаба для печати 1:1
box44.gif
Распечатка
box333.gif

Прямоугольник размером 1 x 1 дюйм распечатывается как прямоугольник размером 1 x 1 дюйм. Однако, будет распечатана только одна четверть листа чертежа, так как масштаб чертежа увеличивается, чтобы установить для прямоугольника масштаб 1:1.

Масштаб листа чертежа D-Альбомная 1:1
box4.gif
Настройка масштаба для печати A-Альбомная 1:1
box44.gif
Распечатка
box333.gif

Прямоугольник размером 1 x 1 дюйм распечатывается как прямоугольник размером 1 x 1 дюйм, потому что листы чертежа имеют одинаковый масштаб. Однако, будет распечатана только одна восьмая листа чертежа, потому что размер листа A-Альбомная составляет одну восьмую размера листа D-Альбомная.



Оставьте отзыв об этом разделе

SOLIDWORKS благодарит Вас за отзыв по поводу представления, точности и полноты документации. Воспользуйтесь формой ниже, чтобы отправить свои комментарии и предложения о данном разделе справки в Отдел документации. Отдел документации не предоставляет ответы на вопросы по технической поддержке. Нажмите здесь для получения информации о технической поддержке.

* Обязательно

 
*Электронная почта:  
Тема:   Отзывы по поводу разделов Справки
Страница:   Примеры Настройки масштаба
*Отзыв:  
*   Я подтверждаю, что прочитал(а) и принимаю положения политики конфиденциальности, в соответствии с которыми Dassault Systèmes будет использовать мои персональные данные.

Печать разделов

Выберите содержимое для печати:

x

Вы используете более раннюю версию браузера, чем Internet Explorer 7. Для оптимизации отображения рекомендуется обновить Ваш браузер до версии Internet Explorer 7 или новее.

 Больше не отображать это сообщение
x

Версия содержимого веб-справки: SOLIDWORKS 2013 SP05

Чтобы отключить веб-справку в программе SOLIDWORKS и использовать локальную версию справки, нажмите Справка > Использовать веб-справку по SOLIDWORKS .

По проблемам, связанным с интерфейсом и поиском по веб-справке, обращайтесь к местному представителю службы поддержки. Чтобы оставить отзыв по отдельным темам справки, воспользуйтесь ссылкой "Отзыв об этом разделе" на странице нужного раздела.