Возможные сообщения об ошибках
- Решения эскиза создаст недопустимые геометрические условия (например, нулевую длину линии). Подумайте об:
- Удалении неверной геометрии.
- Изменении взаимосвязей или размеров для предотвращения появления неверной геометрии.
Возможные причины этих сообщений об ошибках
Неверные объекты
|
Геометрия эскиза не может определить положение одного или нескольких объектов эскиза.
|
Нерешаемые объекты
|
Геометрия эскиза будет геометрически недопустимой, если расчет эскиза выполнен.
|
Чтобы установить цвет для этих элементов, выберите . Для цвета неверного эскиза выберите Эскиз, Недопустимая геометрия в разделе Системные цвета. Чтобы задать цвет нерешенного эскиза, выберите Sketch, Not Solved. Выберите Правка, выберите цвет и нажмите OK.
Пример неверной геометрии
|
 |
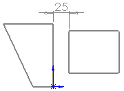
Исходные эскизы с верными размерами |
 |
Размер ссылается на объект эскиза, неверный для этого размера. Неверный объект эскиза отображается красным цветом.
Размер создает неверный эскиз, т.к. он создает линии нулевой длины.
|
 |
Возможное решение 1:
Решение эскиза путем перетаскивания выносной линии размера к верному для данного размера объекту.
|
 |
Возможное решение 2:
Решение эскиза путем изменения нижнего размера на значение > 25, чтобы нижняя горизонтальная линия не была нулевой длины.
|
Пример нерешаемой геометрии |
 |
Исходный эскиз |
 |
Размер 100 создает нерешаемый эскиз, поскольку этот размер не может превышать сумму двух других сторон треугольника. Нерешаемый эскиз отображается желтым цветом.
|
 |
Возможное решение:
Решение эскиза путем изменения размера на решаемое значение.
|
Возможные исправления
- Перетащите к допустимому объекту для повторного размещения размера.
- Удалите размеры или взаимосвязи.
- Удалить неверную геометрию.
- Отредактируйте другие значения размеров или геометрию для удаления конфликтов.