Ocultar tabla de contenido

PropertyManager Convertir vista a croquis

Puede convertir una vista de dibujo a entidades de croquis o a un bloque de entidades de croquis con el PropertyManager Convertir vista a croquis.

En una vista de dibujo, haga clic con el botón derecho y seleccione Convertir vista a croquis.

Estado de visualización

Sustituir la vista por un croquis
Sustituye la vista de dibujo por entidades de croquis 2D equivalentes.
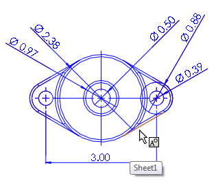
Vista de dibujo original wn-original-drawing-view.png
Entidades de croquis 2D equivalentes wn-original-drawing-view-block1.png
Sustituir la vista por un bloque
Sustituye la vista de dibujo por entidades de croquis 2D equivalentes agrupadas en un bloque.
Vista de dibujo original wn-original-drawing-view-dims.png
Bloque con entidades de croquis 2D equivalentes
wn-original-drawing-view-dims-block2.png
Insertar como bloque
Crea un bloque separado formado por entidades de croquis 2D equivalentes que puede colocar en cualquier lugar del dibujo.
insert-as-block-final.png
En este ejemplo, el bloque de la derecha se agrega a la vista de dibujo, en lugar de sustituir a la vista de dibujo de la izquierda.

Punto de inserción

Disponible cuando selecciona Sustituir la vista por un bloque o Insertar como bloque.

Inserta un manipulador de punto y una línea indicativa que podrá arrastrar de manera independiente a la posición necesaria.



Proporcione comentarios sobre este tema

SOLIDWORKS agradece sus comentarios acerca del formato, la precisión y la rigurosidad de la documentación. Utilice el siguiente formulario para enviar comentarios y sugerencias sobre este tema directamente al equipo de documentación. Nota: el equipo de documentación no puede responder a preguntas técnicas. Haga clic aquí para ver información sobre soporte técnico.

* Obligatorio

 
*Correo electrónico:  
Asunto:   Comentarios sobre los temas de la ayuda
Página:   PropertyManager Convertir vista a croquis
*Comentario:  
*   Por la presente confirmo que he leído y acepto la política de privacidad en virtud de la cual Dassault Systèmes usará mis Datos personales

Imprimir tema

Seleccione el ámbito del contenido que desee imprimir:

x

Hemos detectado que la versión de su explorador es anterior a Internet Explorer 7. Para una visualización óptima, le recomendamos que actualice a Internet Explorer 7 o versión superior.

 No volver a mostrar este mensaje
x

Versión del contenido de la ayuda web: SOLIDWORKS 2013 SP05

Para desactivar la ayuda web desde SOLIDWORKS y utilizar la ayuda local en su lugar, haga clic en Ayuda > Usar la ayuda web de SOLIDWORKS.

Para informar sobre problemas detectados con la interfaz y la función de búsqueda de la ayuda web, póngase en contacto con el representante local de soporte. Si desea proporcionar comentarios sobre temas individuales, utilice el vínculo “Comentarios sobre este tema” en la página del tema en cuestión.