Bir teknik resim görünümünü çizim objelerine veya çizim objeleri bloğuna Görünümü Çizime Dönüştür PropertyManager'ı ile dönüştürebilirsiniz.
PropertyManager'a erişmek için bir teknik resim görünümünde, sağ tıklayın ve Görünümü Çizime Dönüştür'ü tıklayın.
Görüntü Durumu
Görünümü çizimle değiştir |
Teknik resim görünümünü eşdeğer 2B çizim objeleri ile değiştirir.
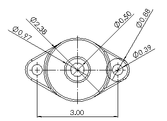
Orijinal teknik resim görünümü |
 |
Eşdeğer 2B çizim objeleri: |
 |
|
Görünümü blokla değiştir |
Teknik resim görünümünü, bir blokta gruplanmış eşdeğer 2B çizim objeleri ile değiştirir.
Orijinal teknik resim görünümü |
 |
Eşdeğer 2B çizim objeleri içeren blok |

|
|
Blok olarak ekle |
Teknik resimde istediğiniz yere yerleştirebileceğiniz eşdeğer 2B çizim objelerinden oluşan ayrı bir blok oluşturur.  Bu örnekte, sağ taraftaki blok teknik resim görünümüne eklenir, soldaki teknik resim görünümünü değiştirmek yerine.
|
Ekleme Noktası
Görünümü blokla değiştir veya Blok olarak ekle'den birini seçtiğinizde kullanılabilir.
Grafik alanına bir nokta manipülatörü ve bloğu konumlandırmak için bağımsız olarak sürükleyebileceğiniz bir lider ekler.