您可使用将视图转换为草图 PropertyManager,将工程图视图转换至草图实体或草图实体块。
要打开该 PropertyManager:
在工程视图中,右键单击,然后单击 将视图转换为草图。
显示状态
将视图替换为草图 |
将工程图视图替换为对等的 2D 草图实体。
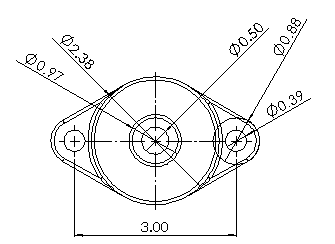
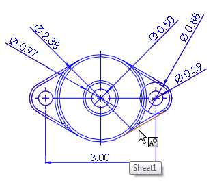
原始工程图视图 |
 |
对等的 2D 草图实体 |
 |
|
将视图替换为块 |
将工程图视图替换为在块中分组的对等 2D 草图实体。
原始工程图视图 |
 |
带对等 2D 草图实体的块 |

|
|
插入作为块 |
创建一个单独的块,其中包含您可以放置在工程图任意位置的对等 2D 草图实体。  在此示例中,右侧的块被添加至工程图视图,而不是替换左侧的工程图视图。
|
插入点
选择使用块替换视图或插入作为块时可用。
在图形区域插入点操纵杆和引线,以便独立拖动放置块。