您可以使用將視圖轉換為草圖 PropertyManager,來將工程視圖轉換為草圖圖元或草圖圖元圖塊。
若要開啟此 PropertyManager:
在工程視圖中,按右鍵並按一下 將視圖轉換為草圖。
顯示狀態
用草圖取代視圖 |
用同等 2D 草圖圖元取代工程視圖。
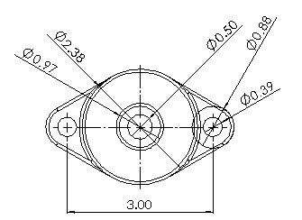
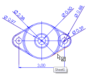
原始工程視圖 |
 |
同等 2D 草圖圖元 |
 |
|
用圖塊取代視圖 |
用在圖塊中分組的同等 2D 草圖圖元取代工程視圖。
原始工程視圖 |
 |
具有同等 2D 草圖圖元的圖塊 |

|
|
作為圖塊插入 |
產生一個您可以放置在工程圖中任何地方之包含同等 2D 草圖圖元的單獨圖塊。  在本範例中,會將右側的圖塊加入至工程視圖,而不是取代左側的工程視圖。
|
插入點
當您選擇以圖塊取代視圖或作為圖塊插入時可用。
在圖面中插入操控點與導線,以便您可以單獨拖曳來放置圖塊。