Komunikaty o ewentualnych błędach
- Szkic nie został aktualizowany ponieważ rozwiązanie go zakończyłoby się nieprawidłową geometrią (jak np. linia o długości zero). Należy rozważyć:
- Usunięcie nieprawidłowej geometrii.
- Zmianę relacji lub wymiarów, aby wyeliminować nieprawidłową geometrię.
Możliwe przyczyny takich komunikatów o błędach
Nieprawidłowe elementy
|
Geometria szkicu nie może ustalić pozycji jednego lub więcej elementów szkicu.
|
Elementy niemożliwe do rozwiązania
|
Geometria szkicu byłaby geometrycznie nieprawidłowa, gdyby szkic został rozwiązany.
|
Aby ustawić kolor dla tych elementów, należy kliknąć . Dla koloru nieprawidłowego szkicu, należy wybrać Szkic, Nieprawidłowa geometria w części Kolory systemowe. Dla szkicu niemożliwego do rozwiązania, należy wybrać Szkic, Nierozwiązany. Kliknąć Edytuj, wybrać kolor, a następnie kliknąć OK.
Przykład nieprawidłowej geometrii
|
 |
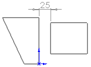
Pierwotne szkice z prawidłowym wymiarem. |
 |
Wymiar odnosi się do elementu szkicu, który nie jest prawidłowy dla tego wymiaru. Nieprawidłowy element szkicu jest wyświetlany w kolorze czerwonym.
Wymiar tworzy nieprawidłowy szkic, ponieważ utworzona linia ma zerową długość.
|
 |
Możliwe rozwiązanie nr 1:
Szkic rozwiązany poprzez przeciągnięcie pomocniczej linii wymiaru do elementu prawidłowego dla tego wymiaru.
|
 |
Możliwe rozwiązanie nr 2:
Szkic rozwiązany poprzez zmianę dolnego wymiaru do wartości > 25, dzięki czemu dolna linia pozioma ma niezerową długość.
|
Przykład geometrii niemożliwej do rozwiązania |
 |
Pierwotny szkic |
 |
Wymiar 100 tworzy szkic niemożliwy do rozwiązania, ponieważ wymiar ten nie może przekraczać sumy pozostałych dwóch boków trójkąta. Szkic niemożliwy do rozwiązania jest wyświetlany w kolorze żółtym.
|
 |
Możliwe rozwiązanie:
Szkic rozwiązany poprzez zmianę wymiaru do wartości możliwej do rozwiązania.
|
Możliwe rozwiązania
- Przeciągnąć wymiar do prawidłowego elementu.
- Usunąć wymiary lub relacje.
- Usuń nieprawidłową geometrię.
- Poddać edycji inne wartości wymiarów lub geometrie, aby nie były one w sprzeczności.