Ocultar Sumário

Dimensões em desenhos

Normalmente você especifica dimensões quando projeta uma peça, depois insere as dimensões do modelo no desenho. Alterar uma dimensão em um documento a altera nos documentos associados.

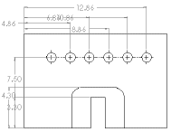
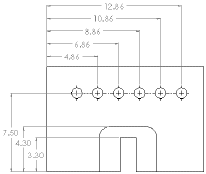
A ferramenta Organizar dimensões automaticamente posiciona as dimensões rápida e facilmente.

Antes Depois
Você pode definir uma opção, durante a instalação do SolidWorks, que impede que alterações feitas nas dimensões de desenhos afetem os modelos de peças ou montagens.

Você pode usar linhas magnéticas para alinhar os balões. Você pode inserir automaticamente as marcas de centros em todos os furos, filetes e ranhuras nas vistas de desenho.

No SolidWorks a formatação de dimensões segue o padrão que é determinado para o documento em Ferramentas > Opções > Propriedades do documento > Padrões de desenho por padrão. Você pode alterar os valores ou templates predeterminados para cada tipo de dimensão listado em Ferramentas > Opções > Propriedades do documento > Dimensões . Tanto o software CAD 2D como o SolidWorks usam estilos para salvar formatações específicas.

Os sistemas CAD 2D têm somente um tipo de dimensão, que é comparável às dimensões de referência no SolidWorks. As dimensões de referência não podem ser modificadas e não alteram a geometria do modelo. Contudo, quando um modelo é alterado, as dimensões de referência são atualizadas automaticamente. As dimensões do modelo são vinculadas ao modelo parametricamente, usando nomes de dimensões e, quando alteradas (em documentos de desenho ou de modelo) modificam o modelo.

Quando você insere dimensões em documentos de peça ou montagem, elas são marcadas para os desenhos, a menos que você especifique o contrário. Quando você insere dimensões de modelo com Itens do modelo, automaticamente para uma nova vista de desenho ou com Autodimensionamento, somente as dimensões marcadas para desenhos são inseridas. Quando você insere uma vista de anotação em um desenho, todas as anotações na peça ou montagem são inseridas no desenho.

As dimensões definem a geometria nos esboços de modelos.
As dimensões do modelo são transferidas para os desenhos com o uso de Inserir > Itens do modelo.

As dimensões de linha de base, de ordenada e de chanfro, e as linhas de chamada de furos estão disponíveis nos desenhos. As dimensões de ordenada também estão disponíveis nos esboços.

Dimensões de linha de base
Dimensões de ordenada
Dimensões de chanfro
Chamada de furo


Envie-nos seus comentários sobre este tópico

O SOLIDWORKS agradece seu feedback sobre a apresentação, precisão e nível de detalhe da documentação. Use o formulário abaixo para enviar comentários e sugestões sobre este tópico diretamente à equipe responsável pela documentação. Esta equipe não responde a perguntas de suporte técnico. Clique aqui para ver informações específicas do suporte técnico.

* Obrigatório

 
*E-mail:  
Assunto:   Comentários sobre os tópicos da Ajuda
Página:   Dimensões em desenhos
*Comentário:  
*   Eu reconheço que li e aceito, por meio deste, a política de privacidade segundo a qual meus Dados pessoais serão usados pela Dassault Systèmes

Imprimir tópico

Selecione o escopo do conteúdo a imprimir:

x

Foi detectada uma versão de navegador anterior ao Internet Explorer 7. Para uma exibição otimizada, sugerimos a atualização para o Internet Explorer 7 ou posterior.

 Não mostrar essa mensagem novamente
x

Versão do conteúdo de ajuda on-line: SOLIDWORKS 2014 SP05

Para desativar a Ajuda online no SOLIDWORKS e usar a Ajuda local, clique em Ajuda > Usar Ajuda on-line do SOLIDWORKS.

Para relatar problemas encontrados na interface e na pesquisa da Ajuda on-line, consulte seu representante de suporte local. Para fornecer comentários sobre tópicos individuais da Ajuda, use o link “Comentários sobre este tópico” na página do tópico individual.