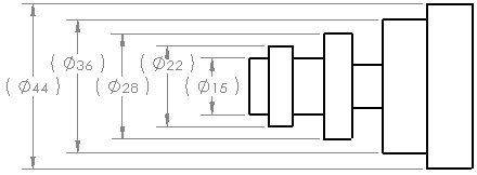
ラピッド寸法マニピュレータを使用し、寸法を等間隔で配置して読みやすくすることが可能です。
ラピッド寸法マニピュレータは、図面ビューに寸法を挿入したときに表示されます。マニピュレータを使用すると、寸法は等間隔で配置されます。たとえば、2つの寸法間に寸法を挿入すると、新しい寸法は2つの寸法間に等間隔で配置されます。
ラピッド寸法マニピュレータを使用して、寸法値を素早く配置します。

ラピッド寸法で使用する間隔は、のオフセット距離(Offset distances)からコントロールします。
ラピッド寸法マニピュレータで対称的な中心線上に寸法を作成する場合、重複する可能性のある寸法はすべてANSI規格の図面に対して千鳥形配列になります。

ラピッド寸法マニピュレータを解除にするには、寸法 PropertyManager の援助寸法ツール(Dimension Assist Tools)でラピッド寸法(Rapid dimensioning)を選択解除します。この設定は、セッションをまたいで維持されます。
ラピッド寸法マニピュレータが有効に設定されている場合は、ESC キーを押して解除することができます。もう一度 ESC キーを押すとスマート寸法ツールが解除されます。