Expand はじめにはじめに
Expand 管理管理
Expand ユーザー インターフェースユーザー インターフェース
Collapse SolidWorks の基礎 SolidWorks の基礎
Expand 2D から 3D へ移行2D から 3D へ移行
Expand アセンブリアセンブリ
Expand CircuitWorksCircuitWorks
Expand コンフィギュレーションコンフィギュレーション
Expand CostingCosting
Expand Design CheckerDesign Checker
Expand SolidWorksにおけるデザイン スタディSolidWorksにおけるデザイン スタディ
Expand 詳細設定と図面詳細設定と図面
Expand DFMXpressDFMXpress
Expand DriveWorksXpressDriveWorksXpress
Expand FloXpressFloXpress
Expand インポート/エクスポートインポート/エクスポート
Expand モデル表示モデル表示
Expand モールド設計モールド設計
Expand モーション スタディモーション スタディ
Expand 部品とフィーチャー 部品とフィーチャー
Expand ルーティングルーティング
Expand 板金板金
Expand シミュレーションシミュレーション
Expand SimulationXpressSimulationXpress
Expand スケッチングスケッチング
Expand Sustainability 製品Sustainability 製品
Expand SolidWorks UtilitiesSolidWorks Utilities
Expand TolerancingTolerancing
Expand TolAnalystTolAnalyst
Expand ToolboxToolbox
Expand 溶接溶接
Expand Workgroup PDMWorkgroup PDM
Expand トラブルシューティングトラブルシューティング
用語集
目次を表示しない

ユーザー定義スケールの例(Custom Scale Examples)

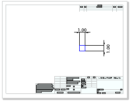
図面シート スケール 1:1
box1.gif
印刷のためのユーザー定義スケール 1:1
box1.gif
印刷出力
box1.gif

A 1 インチ x 1 インチ ソックスは同一スケールで印刷されます。 (1 インチ x 1 インチ)

図面シート スケール 1:1
box1.gif
印刷のためのユーザー定義スケール 2:1
box2.gif
印刷出力
box222.gif

寸法値が同じ状態のままでも、A 1 インチ x 1 インチ ソックスは、 2 インチ x 2 インチ ソックスとして印刷されます。 (反対に、ユーザー定義スケールを 1:2 に設定すると、ボックスは 0.5 インチ x 0.5 インチで印刷されます)

図面シート スケール 1:2
box3.gif
印刷のためのユーザー定義スケール 1:1
box44.gif
印刷出力
box333.gif

A 1 インチ x 1 インチ ボックスは、1 インチ x 1 インチ ボックスとして印刷されます。 但し、ボックスは、1:1 スケールになるまで拡大表示されるため、図面は、四分の一だけ印刷されます。

図面シート スケール D-横 1:1
box4.gif
印刷のためのユーザー定義スケール A-横 1:1
box44.gif
印刷出力
box333.gif

A 1 インチ x 1 インチ ボックスは、図面シートのスケールが同じであるため A 1 インチ x 1 インチ ボックスとして印刷されます。 但し、 A-縦シートは、 D-横シートの 8 分の 1 であるため、図面シートの 8 分の 1 のみ印刷されます。



トピックについてフィードバックを送信

ヘルプに関してフィードバックを送信することができます。しかし、ドキュメンテーション グループはテクニカル サポートに関する質問に答えることはできません。 テクニカル サポートに関する情報はここをクリックしてください

* 必要項目

 
*電子メール:  
件名:   トピックのフィードバック
ページ:   ユーザー定義スケールの例(Custom Scale Examples)
*コメント:  
*   プライバシー ポリシーを読み、個人情報が Dassault Systèmes によって使用されることに同意します。

トピックの印刷

印刷するコンテンツの範囲を選択:

x

Internet Explorer 7 より古いブラウザ バージョンが検知されました。 表示を最適化するにはInternet Explorer 7 以上のブラウザ バージョンにアップグレードしてください。

 今後このメッセージを表示しない
x

Web ヘルプ コンテンツ バージョン: SOLIDWORKS 2014 SP05

SOLIDWORKS で Web ヘルプを無効にして、ローカル ヘルプを使用するには、ヘルプ > SOLIDWORKS Web ヘルプ使用 をクリックしてください。

Web ヘルプのインタフェースや検索機能に関する問題は、お客様のサポート担当者までご連絡ください。各トピック ページの「トピックについてフィードバックする」リンクを使用し、各ヘルプ トピックについてフィードバックを送信することもできます。