A 1 インチ x 1 インチ ソックスは同一スケールで印刷されます。 (1 インチ x 1 インチ)
寸法値が同じ状態のままでも、A 1 インチ x 1 インチ ソックスは、 2 インチ x 2 インチ ソックスとして印刷されます。 (反対に、ユーザー定義スケールを 1:2 に設定すると、ボックスは 0.5 インチ x 0.5 インチで印刷されます)
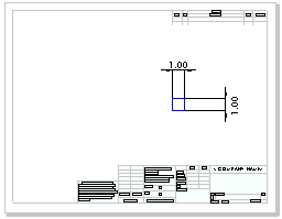
A 1 インチ x 1 インチ ボックスは、1 インチ x 1 インチ ボックスとして印刷されます。 但し、ボックスは、1:1 スケールになるまで拡大表示されるため、図面は、四分の一だけ印刷されます。
A 1 インチ x 1 インチ ボックスは、図面シートのスケールが同じであるため A 1 インチ x 1 インチ ボックスとして印刷されます。 但し、 A-縦シートは、 D-横シートの 8 分の 1 であるため、図面シートの 8 分の 1 のみ印刷されます。
トピックについてフィードバックを送信
ヘルプに関してフィードバックを送信することができます。しかし、ドキュメンテーション グループはテクニカル サポートに関する質問に答えることはできません。 テクニカル サポートに関する情報はここをクリックしてください。
* 必要項目
ご意見をお寄せいただき、ありがとうございます。 いただいた内容に関してこちらから連絡する場合があります。
いただきました提案とフィードバックを基に、品質の向上に努めます。
トピックの印刷
印刷するコンテンツの範囲を選択:
Internet Explorer 7 より古いブラウザ バージョンが検知されました。 表示を最適化するにはInternet Explorer 7 以上のブラウザ バージョンにアップグレードしてください。
Web ヘルプ コンテンツ バージョン: SOLIDWORKS 2014 SP05 SOLIDWORKS で Web ヘルプを無効にして、ローカル ヘルプを使用するには、ヘルプ > SOLIDWORKS Web ヘルプ使用 をクリックしてください。 Web ヘルプのインタフェースや検索機能に関する問題は、お客様のサポート担当者までご連絡ください。各トピック ページの「トピックについてフィードバックする」リンクを使用し、各ヘルプ トピックについてフィードバックを送信することもできます。