Mensagens de erro possíveis
- O esboço não foi atualizado porque solucioná-lo resultaria em uma geometria inválida (como uma linha com comprimento zero). Considere:
- Excluir a geometria inválida.
- Alterar as relações ou dimensões para eliminar a geometria inválida.
Possíveis razões para essas mensagens de erro
Itens inválidos
|
A geometria de esboço não pode determinar a posição de uma ou mais entidades de esboço.
|
Itens insolúveis
|
A geometria de esboço seria geometricamente inválida se o esboço fosse resolvido.
|
Para definir a cor para esses itens, clique em . Para a cor do esboço válido, selecione Esboço, Geometria inválida em Cores do sistema. Para a cor do esboço insolúvel, selecione Esboço, Não resolvido. Clique em Editar, selecione uma cor e, em seguida, clique em OK.
Exemplo de geometria inválida
|
 |
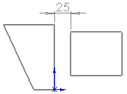
Esboços originais com dimensão válida. |
 |
A dimensão faz referência a uma entidade de esboço que não é válida para esta dimensão. O item de esboço inválido é exibido em vermelho.
A dimensão cria um esboço inválido, pois cria uma linha de comprimento zero.
|
 |
Solução possível 1:
Esboço resolvido arrastando-se a linha indicadora de dimensão para uma entidade válida para essa dimensão.
|
 |
Solução possível 2:
Esboço resolvido alterando-se a dimensão inferior para um valor menor que 25, de modo que a linha horizontal inferior não seja de comprimento zero.
|
Exemplo de geometria insolúvel |
 |
Esboço original |
 |
A dimensão 100 cria um esboço insolúvel, pois é impossível que essa dimensão exceda o total das duas outras faces triangulares. O esboço insolúvel é exibido em amarelo.
|
 |
Solução possível:
Esboço resolvido alterando-se a dimensão para um valor de dimensão solúvel.
|
Possíveis correções
- Arrastar para reposicionar a dimensão a uma entidade válida.
- Excluir dimensões e relações.
- Excluir a geometria inválida.
- Editar outros valores de dimensão ou geometria para que não haja conflito.