Você pode usar o manipulador de dimensão rápida para colocar dimensões, de forma que elas sejam espaçadas uniformemente e mais fáceis de ler.
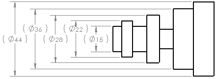
O manipulador de dimensão rápida aparece quando você insere dimensões em vistas de desenho. Use o manipulator para colocar dimensões em intervalos uniformemente espaçados. Por exemplo, se você inserir uma dimensão entre duas dimensões, a nova dimensão será espaçada uniformemente entre elas.
Use o manipulador Dimensão rápida para inserir dimensões rapidamente.

Você pode controlar o espaçamento usado por dimensão rápida em em Distâncias de offset.
Quando o manipulador de dimensão rápida cria dimensões em uma linha de centro simétrica, as dimensões que podem se sobrepor são posicionadas em zigue-zague para desenhos no padrão ANSI.

Para desativar o manipulador de dimensão rápida, no PropertyManager de Dimensão, em Ferramentas de assistência para dimensões, desmarque Dimensionamento rápido. Essa configuração persiste entre sessões.
Quando o manipulador de dimensão rápida está ativado, você pode fechá-lo pressionando ESC. Pressionar ESC novamente fecha a ferramenta Dimensão inteligente.