Si un documento de modelo utiliza una tabla de diseño para generar múltiples configuraciones, puede visualizar la tabla en un dibujo de dicho modelo. De esta manera, un único dibujo puede representar todas las configuraciones.
Puede etiquetar las cotas con letras o nombres cortos descriptivos en vez de utilizar los nombres de cota completos y los valores. Por ejemplo, en vez de D1@Base-Extruir, puede utilizar una etiqueta como A o espesor como el encabezado de la columna de la tabla y visualizar la etiqueta en vez del valor de la cota de la vista de dibujo.
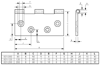
La ilustración siguiente es un ejemplo de cómo aparecerán una tabla de diseño y las cotas que controla en un dibujo.
