Expand IntroducciónIntroducción
Expand AdministraciónAdministración
Expand Interfaz de usuarioInterfaz de usuario
Collapse Conceptos básicos de SolidWorksConceptos básicos de SolidWorks
Expand Migrar de 2D a 3DMigrar de 2D a 3D
Expand EnsamblajesEnsamblajes
Expand CircuitWorksCircuitWorks
Expand ConfiguracionesConfiguraciones
Expand SolidWorks CostingSolidWorks Costing
Expand Design CheckerDesign Checker
Expand Estudios de diseño en SolidWorksEstudios de diseño en SolidWorks
Expand Dibujos y documentaciónDibujos y documentación
Expand DFMXpressDFMXpress
Expand DriveWorksXpressDriveWorksXpress
Expand FloXpressFloXpress
Expand Importación y exportaciónImportación y exportación
Expand Visualización de modeloVisualización de modelo
Expand Diseño de moldesDiseño de moldes
Expand Estudios de movimientoEstudios de movimiento
Expand Piezas y operacionesPiezas y operaciones
Expand RoutingRouting
Expand Chapa metálicaChapa metálica
Expand SimulationSimulation
Expand SimulationXpressSimulationXpress
Expand CroquizadoCroquizado
Expand SustainabilitySustainability
Expand SolidWorks UtilitiesSolidWorks Utilities
Expand TolerancingTolerancing
Expand TolAnalystTolAnalyst
Expand ToolboxToolbox
Expand Piezas soldadasPiezas soldadas
Expand Workgroup PDMWorkgroup PDM
Expand Solución de problemasSolución de problemas
Glosario
Ocultar tabla de contenido

Ejemplos de escala personalizada

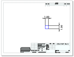
Escala de hoja de dibujo 1:1
box1.gif
Escala personalizada para impresión 1:1
box1.gif
Resultado impreso
box1.gif

Un cuadro de 1 pulg x 1 pulg se imprime a la misma escala (1 pulg x 1 pulg).

Escala de hoja de dibujo 1:1
box1.gif
Escala personalizada para impresión 2:1
box2.gif
Resultado impreso
box222.gif

Un cuadro de 1 pulg x 1 pulg se imprime como un cuadro de 2 pulg x 2 pulg, a pesar de que los valores de cota permanecen inalterados. (A la inversa, si configura la escala personalizada en 1:2, el cuadro se imprime a 0,5 pulg x 0,5 pulg.)

Escala de hoja de dibujo 1:2
box3.gif
Escala personalizada para impresión 1:1
box44.gif
Resultado impreso
box333.gif

Un cuadro de 1 pulg x 1 pulg se imprime como un cuadro de 1 pulg x 1 pulg. Sin embargo, sólo una cuarta parte de la hoja de dibujo se imprime porque se aplica el zoom acercar al dibujo para obtener el cuadro a escala 1:1.

Escala de hoja de dibujo D-Horizontal 1:1
box4.gif
Escala personalizada para impresión A-Horizontal 1:1
box44.gif
Resultado impreso
box333.gif

Un cuadro de 1 pulg x 1 pulg se imprime como un cuadro de 1 pulg x 1 pulg porque las escalas de la hoja de dibujo son la misma. Sin embargo, sólo una octava parte de la hoja de dibujo se imprime porque una hoja A-Horizontal es una octava parte del tamaño de una hoja D-Horizontal.



Proporcione comentarios sobre este tema

SOLIDWORKS agradece sus comentarios acerca del formato, la precisión y la rigurosidad de la documentación. Utilice el siguiente formulario para enviar comentarios y sugerencias sobre este tema directamente al equipo de documentación. Nota: el equipo de documentación no puede responder a preguntas técnicas. Haga clic aquí para ver información sobre soporte técnico.

* Obligatorio

 
*Correo electrónico:  
Asunto:   Comentarios sobre los temas de la ayuda
Página:   Ejemplos de escala personalizada
*Comentario:  
*   Por la presente confirmo que he leído y acepto la política de privacidad en virtud de la cual Dassault Systèmes usará mis Datos personales

Imprimir tema

Seleccione el ámbito del contenido que desee imprimir:

x

Hemos detectado que la versión de su explorador es anterior a Internet Explorer 7. Para una visualización óptima, le recomendamos que actualice a Internet Explorer 7 o versión superior.

 No volver a mostrar este mensaje
x

Versión del contenido de la ayuda web: SOLIDWORKS 2014 SP05

Para desactivar la ayuda web desde SOLIDWORKS y utilizar la ayuda local en su lugar, haga clic en Ayuda > Usar la ayuda web de SOLIDWORKS.

Para informar sobre problemas detectados con la interfaz y la función de búsqueda de la ayuda web, póngase en contacto con el representante local de soporte. Si desea proporcionar comentarios sobre temas individuales, utilice el vínculo “Comentarios sobre este tema” en la página del tema en cuestión.