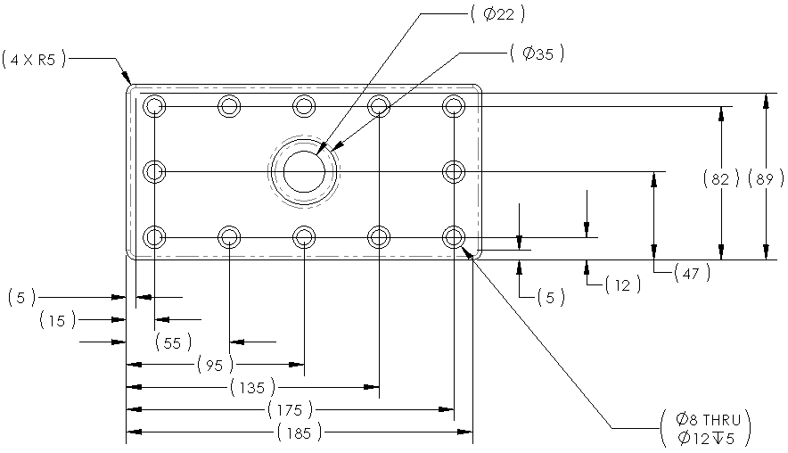
Referans ölçümlendirmeleri teknik resim görünümlerine taban çizgisi, zincir veya ordinat ölçümlendirmeleri olarak eklemek için Otomatik ölçümlendirme aracını kullanabilirsiniz. Otomatik ölçümlendirme aracı çizimlerde benzer şekilde çalışır.
Aşağıdaki taban çizgisi ölçümlendirme düzeni gösterilmektedir:
