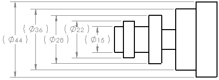
Ölçümlendirmeleri, aralarında eşit aralık bırakacak ve kolay okunmasını sağlayacak şekilde yerleştirmek için hızlı ölçümlendirme manipülatörünü kullanabilirsiniz.
Teknik resim görünümlerine ölçümlendirmeler eklerken, hızlı ölçümlendirme manipülatörü görüntülenir. Ölçümlendirmeleri eşit aralıklarla yerleştirmek için manipülatörü kullanın. Örneğin, iki ölçümlendirme arasına bir ölçümlendirme eklerseniz, yeni ölçümlendirme bunlar arasına eşit şekilde yerleştirilir.
Ölçümlendirmeleri hızla yerleştirmek için hızlı ölçümlendirme manipülatörünü kullanın.

Hızlı ölçümlendirmenin kullandığı aralığı 'de Öteleme uzaklıkları altından kontrol edebilirsiniz.
Hızlı ölçümlendirme manipülatörü simetrik merkez çizgisinde ölçümlendirmeler oluşturduğunda, üst üste binebilecek ölçümlendirmeler ANSI standardındaki teknik resimler için kademelendirilir.

Hızlı ölçümlendirme manipülatörünü devre dışı bırakmak için, Ölçümlendirme PropertyManager'da, Ölçümlendirme Yardım Araçları altında, Hızlı ölçümlendirme onay kutusunun işaretini kaldırın. Bu ayar diğer oturumlarda da korunur.
Hızlı ölçümlendirme manipülatörü etkin olduğunda, ESC tuşuna basarak kapatabilirsiniz. ESC tuşuna tekrar bastığınızda Akıllı Ölçümlendirme aracı kapatılır.