Bir teknik resim açılırken, eğer ölçümlendirmeker son kaydedildiğinden beri değişmişse, değişmiş ölçümlendirmeler vurgulanır. Değişmiş ölçümlendirmeleri görmek için parça veya montaj ve teknik resim SolidWorks 2012 veya yenisi ile kaydedilmeliler. Ölçümlendirmeleri değişmiş teknik resim kaydedilip kapatıldıktan sonra, değişmiş ölçümlendirme vurgulamaları sıfırlanır.
 |
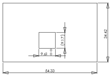
Değişikliklerden Önce |
 |
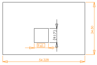
Değişikliklerden Sonra |
Vurgulama açık iken bu değişiklikler teknik resimlerde vurgulanır:
- Temel rakam değerlerini değiştiren Model Değişiklikleri
- Modelde tolerans tipi veya değeri değişen alınmış ölçümlendirmeler
- Parantez Ekle veya Kontrol Ölçümlendirmesi'nde değişiklik olan alınmış ölçümlendirmeler
- Ölçümlendirme Metni'nde (<DIM>) değişiklik olan alınmış ölçümlendirmeler
Bu vurgulama fonksiyonunu kullanabilmek için, önce parça, montaj ve tüm ilgili dosyalarını SolidWorks 2012 ile kaydetmelisiniz. Teknik resmi yeniden açtığınızda vurgulanmış değişiklikler görünür. Eğer değişmiş ölçümlemdirmenin üzerine giderseniz, bir ipucu önceki ölçümlendirmeyi gösterir.

|
Değişmiş ölçümlendirmelr
|

|
Değişmiş tolerans
|