目次を表示しない

エラー メッセージ - 解決結果なし(Error Message - No Solution Found)

エラー メッセージ

  • 解決すると無効なジオメトリ(長さがゼロの線など)が生じるため、スケッチは更新されません。次を実行して下さい:
    • 無効なジオメトリを削除する。
    • 無効なジオメトリを取り除くために、幾何拘束関係や寸法を変更する。

エラー メッセージの原因(Potential Reasons for These Error Messages)

無効なアイテム

スケッチ ジオメトリは、1 つ以上のスケッチ エンティティの位置を特定できません。

未解決のアイテム

このスケッチを解決すると、スケッチのジオメトリは不正/無効なジオメトリとなります。

これらのアイテムの色を指定するには、 ツール (Tools) > オプション (Options) > システム オプション (System Options) > 色(Colors) をクリックします。無効なスケッチの色には、システムの色(System Colors)でスケッチ(Sketch)、[無効なジオメトリ(Invalid Geometry)]を選択します。未解決のスケッチの色には、スケッチ(Sketch)、[未解決(Not Solved)]を選択します。編集(Edit)をクリックし、色を選択し、OK をクリックします。
無効なジオメトリの例
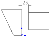
有効な寸法の元のスケッチ

この寸法は、この寸法に対して有効でないスケッチ エンティティを参照しています。無効なスケッチ アイテムは、赤で表示されています。

長さがゼロの線が作成されるため、この寸法によって無効なスケッチが作成されます。

可能な解決法 1:

寸法補助線を寸法に対して有効なエンティティにドラッグして、スケッチを解決します。

可能な解決法 2:

下の寸法の値を 25 より大きくし、下方の水平線がゼロでない長さになるように指定してスケッチを解決します。

未解決のジオメトリの例
元のスケッチ

寸法 100 では、他の 2 つの三角形の辺の合計を超えることができないため、未解決のスケッチが作成されます。未解決のスケッチはピンク色で表示されます。

解決方法:

解決可能な寸法値に変更して解決したスケッチ。

修正方法

  • ドラッグにより寸法を有効なエンティティに対して寸法付けする。
  • 寸法や幾何拘束関係を削除する。
  • 無効なジオメトリを削除する。
  • 矛盾がないように、他の寸法値やジオメトリを編集する。


トピックについてフィードバックを送信

ヘルプに関してフィードバックを送信することができます。しかし、ドキュメンテーション グループはテクニカル サポートに関する質問に答えることはできません。 テクニカル サポートに関する情報はここをクリックしてください

* 必要項目

 
*電子メール:  
件名:   トピックのフィードバック
ページ:   エラー メッセージ - 解決結果なし(Error Message - No Solution Found)
*コメント:  
*   プライバシー ポリシーを読み、個人情報が Dassault Systèmes によって使用されることに同意します。

トピックの印刷

印刷するコンテンツの範囲を選択:

x

Internet Explorer 7 より古いブラウザ バージョンが検知されました。 表示を最適化するにはInternet Explorer 7 以上のブラウザ バージョンにアップグレードしてください。

 今後このメッセージを表示しない
x

Web ヘルプ コンテンツ バージョン: SOLIDWORKS 2015 SP05

SOLIDWORKS で Web ヘルプを無効にして、ローカル ヘルプを使用するには、ヘルプ > SOLIDWORKS Web ヘルプ使用 をクリックしてください。

Web ヘルプのインタフェースや検索機能に関する問題は、お客様のサポート担当者までご連絡ください。各トピック ページの「トピックについてフィードバックする」リンクを使用し、各ヘルプ トピックについてフィードバックを送信することもできます。