隐藏目录

配置

SOLIDWORKS 中的配置让您可以在单一的文件中对零件或装配体模型生成多个设计变化。 配置提供了简便的方法来开发与管理一组有着不同尺寸、零部件、或其他参数的模型。

您可以手动生成配置,或者使用系列零件设计表同时建立多个配置。 系列零件设计表提供了一种简便的方法,在工作表中建立和管理配置。 您可在零件和装配体文件中使用系列零件设计表。

config_tutor_1.gif config_tutor_2.gif
config_tutor_3.gif config_tutor_4.gif

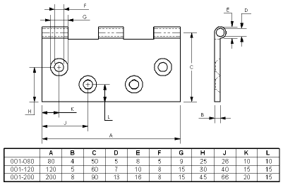
您可在工程图中显示系列零件设计表。

config_design_table_drw.gif



提供对该主题的反馈

SOLIDWORKS 欢迎您对此文档的外观、准确性及完整性提供反馈。请使用以下表格,将您对该主题的评论和建议直接发送给我们的文档团队。文档团队不能回答技术支持问题。单击此处获取有关技术支持的信息

* 必填

 
*电子邮件:  
主题:   对帮助主题的反馈
页面:   配置
*评论:  
*   本人确认已阅读并且接受 Dassault Systèmes 按照《隐私政策》使用本人的个人数据

打印主题

选择要打印的内容范围:

x

我们检测到您在使用旧于 Internet Explorer 7 的浏览器版本。为优化显示,我们建议您将您的浏览器升级到 Internet Explorer 7 或以上。

 永不再显示此信息
x

Web 帮助内容版本:SOLIDWORKS 2015 SP05

要从 SOLIDWORKS 中禁用 Web 帮助并使用本地帮助,请单击帮助 > 使用 SOLIDWORKS Web 帮助

要报告在 Web 帮助界面和搜索中所遇到的问题,请联系您的当地支持代表。要提供单个帮助主题的反馈,请使用单个主题页面上的“对该主题的反馈”链接。