Usualmente le quote vengono specificate quando si crea una parte, quindi vengono inserite dal modello nel disegno. La modifica di una quota in un documento comporta il medesimo cambiamento in qualsiasi documento associato.
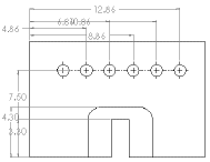
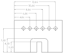
Lo strumento Sistemazione automatica delle quote
posiziona le quote velocemente e facilmente.
 |
 |
Prima |
Dopo |
durante l'installazione di SOLIDWORKS è possibile impostare un'opzione che fa sì che le modifiche nelle quote dei disegni non condizionino i modelli delle parti e degli assiemi.
Si possono usare le linee magnetiche per allineare le bollature. Si possono inserire automaticamente le tacche di centratura per tutti i fori, raccordi e asole nelle viste del disegno.
In SOLIDWORKS, la formattazione delle quote segue di default gli standard impostati per il documento in . Il documento o modello può essere cambiato per ogni tipo di quota elencata in . Sia il software CAD 2D che SOLIDWORKS utilizzano gli stili per salvare la particolare formattazione.
I sistemi CAD 2D hanno solo un tipo di quota, equivalente alle quote di riferimento in SOLIDWORKS. Le quote di riferimento non possono essere modificate e non variano la geometria del modello. Tuttavia, quando un modello cambia, le quote di riferimento vengono aggiornate automaticamente. Le quote del modello sono parametricamente collegate al modello, utilizzando i nomi delle quote e, qualora in presenza di modifica, (nei disegni o nei documenti del modello), modificando il modello.
Quando si inseriscono le quote nei documenti di parte e assieme, queste vengono contrassegnate per i disegni a meno che non sia specificato diversamente. Quando si inseriscono le quote del modello con Elementi del modello o automaticamente per una nuova vista di disegno o con la Quotatura automatica, solo le quote contrassegnate per i disegni saranno inserite. Quando si inserisce una vista dell'annotazione in un disegno, tutte le annotazioni nella parte o nell'assieme saranno inserite nel disegno.
Le quote definiscono la geometria negli schizzi del modello. |
 |
Le quote del modello vengono trasferite nel disegno utilizzando . |
 |
Le quote della linea di base, le quote dell'ordinata, le quote degli smussi e le didascalie dei fori sono disponibili nei disegni. Le quote dell'ordinata sono inoltre disponibili negli schizzi.
Quotelinea base |
 |
Quote dell'ordinata |
 |
Quote degli smussi |
 |
Didascalia fori |
 |