표시되는 오류 메시지
- 스케치에 길이가 0인 선분이 있다거나 부적절한 지오메트리가 있어 스케치가 업데이트되지 않았습니다. 오류 고치기:
- 잘못된 지오메트리를 삭제합니다.
- 구속 조건이나 치수를 변경하여 잘못된 지오메트리를 수정합니다.
오류 메시지의 원인
잘못된 항목
|
스케치에서 한 개 이상의 요소 위치가 미정인 상태입니다.
|
미해결 항목
|
스케치가 해결되면 부적절한 형상을 초래하는 상태입니다.
|
이러한 항목의 색을 설정하려면 을 클릭합니다. 부적절한 스케치 색을 지정하려면, 시스템 색에서 스케치, 잘못된 지오메트리를 선택합니다. 미해결 스케치의 색을 지정하려면, 스케치, 미해결을 선택합니다. 편집을 클릭하고 색상을 선택한 다음 확인을 클릭합니다.
잘못된 지오메트리의 예
|
 |
올바른 치수를 가진 원래 스케치 |
 |
잘못된 스케치 요소를 참조하는 치수. 잘못된 스케치 항목은 빨간색으로 표시됩니다.
길이가 0인 선분이 있어 잘못된 스케치를 초래합니다.
|
 |
해결책 1:
치수 보조선을 끌어 타당한 스케치 요소에 두면 스케치가 해결됩니다.
|
 |
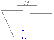
해결책 2:
바닥선 치수를 25보다 큰 수로 변경해주면 스케치가 해결됩니다.
|
미해결 지오메트리의 예 |
 |
원래의 스케치 |
 |
치수 100이 삼각형의 다른 두 변의 합보다 더 크므로 스케치가 미해결 상태가 됩니다. 미해결 스케치는 노란색으로 표시됩니다.
|
 |
해결책:
치수를 변경하면 스케치가 해결됩니다.
|
오류 고치기
- 치수를 끌어 위치를 변경합니다.
- 치수나 구속조건을 삭제합니다.
- 잘못된 지오메트리를 삭제합니다.
- 다른 치수나 지오메트리를 수정합니다.