Normalmente você especifica dimensões quando projeta uma peça, depois insere as dimensões do modelo no desenho. Alterar uma dimensão em um documento a altera nos documentos associados.
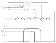
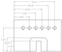
A ferramenta Organizar dimensões automaticamente
posiciona as dimensões rápida e facilmente.
 |
 |
Antes |
Depois |
Você pode definir uma opção, durante a instalação do SOLIDWORKS, que impede que alterações feitas nas dimensões de desenhos afetem os modelos de peças ou montagens.
Você pode usar linhas magnéticas para alinhar os balões. Você pode inserir automaticamente as marcas de centros em todos os furos, filetes e ranhuras nas vistas de desenho.
No SOLIDWORKS, a formatação de dimensões segue o padrão que é determinado para o documento em por padrão. Você pode alterar os valores ou templates predeterminados para cada tipo de dimensão listado em . Tanto o software CAD 2D como o SOLIDWORKS usam estilos para salvar formatações específicas.
Os sistemas CAD 2D têm somente um tipo de dimensão que é comparável às dimensões de referência no SOLIDWORKS. As dimensões de referência não podem ser modificadas e não alteram a geometria do modelo. Contudo, quando um modelo é alterado, as dimensões de referência são atualizadas automaticamente. As dimensões do modelo são vinculadas ao modelo parametricamente, usando nomes de dimensões e, quando alteradas (em documentos de desenho ou de modelo) modificam o modelo.
Quando você insere dimensões em documentos de peça ou montagem, elas são marcadas para os desenhos, a menos que você especifique o contrário. Quando você insere dimensões de modelo com Itens do modelo, automaticamente para uma nova vista de desenho ou com Autodimensionamento, somente as dimensões marcadas para desenhos são inseridas. Quando você insere uma vista de anotação em um desenho, todas as anotações na peça ou montagem são inseridas no desenho.
As dimensões definem a geometria nos esboços de modelos. |
 |
As dimensões do modelo são transferidas para os desenhos com o uso de . |
 |
As dimensões de linha de base, de ordenada e de chanfro, e as linhas de chamada de furos estão disponíveis nos desenhos. As dimensões de ordenada também estão disponíveis nos esboços.
Dimensões de linha de base |
 |
Dimensões de ordenada |
 |
Dimensões de chanfro |
 |
Chamada de furo |
 |