Nascondi Sommario

Messaggio di errore - Nessuna soluzione trovata

Possibili messaggi di errore

  • Lo schizzo non è stato aggiornato perché la sua risoluzione causerebbe una geometria non valida (ad esempio una linea con lunghezza zero). Considerare ciò che segue:
    • eliminazione della geometria non valida.
    • Cambio delle relazioni o delle quote per eliminare la geometria non valida.

Possibili cause di questi messaggi di errore

Elementi non validi

La geometria dello schizzo non può determinare la posizione di una o più entità di schizzo.

Elementi non risolvibili

Questa geometria dello schizzo sarebbe geometricamente non valida se lo schizzo fosse risolto.

Per impostare il colore per questi elementi, fare clic su Strumenti > Opzioni > Opzioni del sistema > Colori . Per il colore di schizzo non valido, selezionare Schizzo, Geometria non valida in Colori del sistema. Per il colore di schizzo non risolvibile, selezionare Schizzo, Non risolto. Fare clic su Modifica, selezionare un colore quindi fare clic su OK.
Esempio di geometria non valida
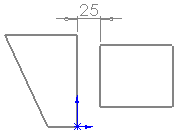
Schizzi originali con quota valida

La quota fa riferimento ad un'entità di schizzo non valida per questa quota. L'elemento di schizzo non valido è visualizzato in rosso.

La quota crea uno schizzo non valido perché genera una linea con lunghezza zero.

Possibile soluzione 1:

schizzo risolto trascinando la linea guida della quota su un'entità valida per questa quota.

Possibile soluzione 2:

Schizzo risolto portando la quota inferiore ad un valore > 25 in modo tale che la linea orizzontale inferiore sia di lunghezza diversa da zero.

Esempio di geometria non risolvibile
Schizzo originale

La quota di 100 crea uno schizzo non risolvibile perché non è possibile per quella quota eccedere il totale dei due lati del triangolo. Lo schizzo non risolvibile è visualizzato in giallo.

Possibile soluzione:

schizzo risolto portando la quota ad un valore risolvibile.

Potenziali correzioni

  • Trascinare per riposizionare la quota su un'entità valida.
  • Cancellare le quote o le relazioni.
  • Cancellare la geometria non valida.
  • Modificare gli altri valori di quotatura o la geometria in modo che non ci siano conflitti.


Fornisci il feedback su questo argomento

SOLIDWORKS apprezza il feedback degli utenti relativamente alla presentazione, la precisione e l'esaustività della documentazione. Usare il modulo riportato di seguito per inviare i propri commenti e suggerimenti su questo argomento direttamente al nostro team della documentazione. Questo team non è in grado di rispondere a domande di natura tecnica. Fare clic qui per informazioni sul supporto tecnico.

* Obbligatoria

 
*Email:  
Oggetto:   Feedback sugli argomenti della guida
Pagina:   Messaggio di errore - Nessuna soluzione trovata
*Commento:  
*   Confermo di aver letto e accettato l'informativa sulla privacy che regola l'utilizzo dei miei dati personali da parte di Dassault Systèmes

Stampa argomento

Selezionare il contenuto da stampare:

x

L'utente utilizza una versione di Internet Explorer precedente alla versione 7. Per una visualizzazione ottimale, consigliamo di fare l'upgrade del proprio browser a Internet Explorer 7 o successiva.

 Non mostrare nuovamente questo messaggio
x

Versione contenuto guida Web: SOLIDWORKS 2016 SP05

Per disattivare la guida Web dall'interno di SOLIDWORKS e usare invece la guida locale, fare clic su ? > Usa la guida Web di SOLIDWORKS.

Per segnalare i problemi riscontrati con l'interfaccia e la funzionalità di ricerca della guida Web, contattare il rappresentante del supporto locale. Per fornire un feedback su singoli argomenti della guida, usare il link "Feedback su questo argomento" nella pagina del singolo argomento.