Expand ÚvodÚvod
Expand SprávaSpráva
Expand Uživatelské rozhraníUživatelské rozhraní
Collapse Základy SOLIDWORKSZáklady SOLIDWORKS
Expand Přestup z 2D na 3DPřestup z 2D na 3D
Expand SestavySestavy
Expand CircuitWorksCircuitWorks
Expand KonfiguraceKonfigurace
Expand SOLIDWORKS CostingSOLIDWORKS Costing
Expand Design CheckerDesign Checker
Expand Designové studie v SOLIDWORKSDesignové studie v SOLIDWORKS
Expand Detailování a výkresyDetailování a výkresy
Expand DFMXpressDFMXpress
Expand DriveWorksXpressDriveWorksXpress
Expand FloXpressFloXpress
Expand Datová komunikace SLDXMLDatová komunikace SLDXML
Expand Import a exportImport a export
Expand Zobrazení modeluZobrazení modelu
Expand Navrhování foremNavrhování forem
Expand Studie pohybuStudie pohybu
Expand Díly a prvkyDíly a prvky
Expand Vyznačení trasyVyznačení trasy
Expand Plechové dílyPlechové díly
Expand Aplikace SimulationAplikace Simulation
Expand SimulationXpressSimulationXpress
Expand SkicováníSkicování
Expand SOLIDWORKS MBD SOLIDWORKS MBD
Expand SOLIDWORKS UtilitiesSOLIDWORKS Utilities
Expand SOLIDWORKS SustainabilitySOLIDWORKS Sustainability
Expand TolerováníTolerování
Expand TolAnalystTolAnalyst
Expand ToolboxToolbox
Expand SvařováníSvařování
Expand Workgroup PDMWorkgroup PDM
Expand Řešení potížíŘešení potíží
Pojmy
Skrýt obsah

Příklady vlastního měřítka

Měřítko listu výkresu 1:1
box1.gif
Vlastní měřítko pro tisk 1:1
box1.gif
Tiskový výstup
box1.gif

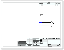
Rámeček 1 cm x 1 cm se vytiskne stejně veliký (1 cm x 1 cm).

Měřítko listu výkresu 1:1
box1.gif
Vlastní měřítko pro tisk 2:1
box2.gif
Tiskový výstup
box222.gif

Rámeček 1 cm x 1 cm se vytiskne s rozměry 2 cm x 2 cm, ačkoli hodnoty kót zůstávají stejné. (A naopak: pokud nastavíte vlastní měřítko na 1:2, vytiskne se rámeček 0,5 cm x 0,5 cm.)

Měřítko listu výkresu 1:2
box3.gif
Vlastní měřítko pro tisk 1:1
box44.gif
Tiskový výstup
box333.gif

Rámeček 1 cm x 1 cm se vytiskne s rozměry 1 cm x 1 cm. Dojde však k vytištění pouhé čtvrtiny listu výkresu: výkres je totiž přiblížen, aby měl rámeček měřítko 1:1.

Měřítko listu výkresu D – Landscape 1:1
box4.gif
Vlastní měřítko pro tisk A – Landscape 1:1
box44.gif
Tiskový výstup
box333.gif

Rámeček 1 cm x 1 cm se vytiskne s rozměry 1 cm x 1 cm, protože měřítka listů výkresu jsou stejná. Dojde však k vytištění pouhé osminy listu výkresu: list formátu A – na šířku totiž tvoří osminu velikosti listu formátu D – na šířku.



Vyjádřete svůj názor na toto téma

SOLIDWORKS uvítá vaše názory ohledně prezentace, přesnosti a obsahu dokumentace. Pomocí níže uvedeného formuláře zašlete komentáře a doporučení k tomuto tématu přímo dokumentačnímu týmu. Dokumentační tým nebude odpovídat na otázky související s technickou podporou. Klepnutím zde získáte informace o technické podpoře.

* Povinné

 
*Email:  
Předmět:   Váš názor na témata nápovědy
Stránka:   Příklady vlastního měřítka
*Komentář:  
*   Prohlašuji, že jsem si přečetl/a a souhlasím se zásadami ochrany osobních údajů, podle kterých bude společnost Dassault Systèmes zpracovávat moje osobní údaje

Tisk tématu

Zvolte rozsah, který se má tisknout:

x

Zjistili jsme, že používáte starší verzi prohlížeče než je Internet Explorer 7. Pro optimální zobrazení vám doporučujeme, aby jste upgradovali na Internet Explorer 7 nebo novější.

 Příště tuto zprávu nezobrazovat
x

Verze nápovědy na webu: SOLIDWORKS 2016 SP05

Chcete-li vypnout webovou nápovědu v rámci SOLIDWORKS a raději používat místní nápovědu, klikněte na Nápověda > Použít SOLIDWORKS nápovědu na webu.

Problémy s uživatelským rozhraním a vyhledáváním v nápovědě na webu nahlaste zástupci místní technické podpory. Zašlete váš názor na individuální témata nápovědy prostřednictvím odkazu “Váš názor na toto téma” na každé straně.